"КОПЧЕНКА" ПО-РАДИОЛЮБИТЕЛЬСКИ


В.ЩЕРБАТЮК, г.Минск.

Оказывается, определенный вклад в решение продовольственной независимости нашего государства могут внести не только трактористы и доярки, но и радиолюбители. Дело в том, что копченые продукты (например, сало) не только вкуснее, но и сохраняются дольше. Раньше процесс копчения был довольно длительной и трудоемкой процедурой. Как составная часть присутствовали в нем даже земляные работы. Да и занимал он много времени (что-то около недели). Естественно, не все могли выдержать такой срок и дождаться полной готовности продукта.

Но если воспользоваться принципом действия электростатического фильтра, используемого в промышленности для очистки газообразных выбросов промышленных предприятий, то можно получить интересный результат. Заменяем вредные выбросы дымом, а бункер для сбора вредных примесей - салом, и получаем в результате устройство для быстрого холодного копчения пищевых продуктов, которое позволяет обеспечить прокапчивание продукта легкими фракциями дыма за 15...45 минут (в зависимости от массы). После окончания процесса продукт сразу готов к употреблению. Габариты устройства выбираются в зависимости от заданного объема разовой загрузки и могут варьироваться в широких пределах. Питание устройства осуществляется от сети 220 В или бортовой сети автомобиля (походный вариант). Особенности изготовления отдельных элементов устройства определяются выбранными параметрами каждой модификации. Общий принцип построения устройства показан на структурной схеме, приведенной на рис.1.

bel-8oo1.gif
Рис.1

Блоки имеют следующее назначение:

- дымогенератор вырабатывает дым из выбранных для копчения пород древесины посредством нагревания небольших (2...10 мм) кусков последней;

- охладитель дыма предназначен для охлаждения дыма и извлечения из него тяжелых фракций (осаждения в охладителе);

- камера копчения обеспечивает размещение в ней продукта таким образом, чтобы он был изолирован от металлических стенок камеры, причем изоляция должна выдерживать напряжение 25000 В;

- источник высокого напряжения формирует напряжение 20000 В при токе >0,2 мА.

Возможный вариант устройства схематично показан на рис.2.

bel-8oo2.gif
Рис.2

Камеру удобно изготовить цилиндрической. Отверстия во внутренней вставке камеры (ведре) желательно пробивать пробойником треугольной формы с наружной стороны. Образующиеся при этом с внутренней стороны вставки на краях пробиваемых отверстий острые "заусенцы" способствуют равномерному отеканию заряда и, как следствие этого, более равномерному копчению продукта. Охладитель следует изготовить разборным, так как он засоряется тяжелыми фракциями проходящего через него дыма (проще говоря - копотью) и требует периодической очистки. Он чем-то напоминает змеевик от всем известного агрегата, но, в отличие от такого змеевика, пропускная способность его должна быть значительно больше. Наиболее простой и удобный вариант охладителя показан на рис.3. Его можно спаять из жести (подойдет оцинкованная), причем желательно сделать "коробку" толщиной 2...3 см. Крышка коробки съемная, лучше всего дюралевая. Размеры коробки желательно выбрать побольше, где-то приблизительно 30х30 см или еще больше.

bel-8oo3.gif
Рис. 3

Коробка должна располагаться таким образом, чтобы могла охлаждаться обтекающим ее воздухом. Входной и выходной штуцера - впаянные отрезки латунной трубы соответствующего диаметра. Генератор дыма- какой-нибудь нагреватель или просто спираль, нагревающаяся до необходимой температуры (чтобы начала тлеть древесина), помещенная внутри похожей коробки или чего-нибудь аналогичного. Как дым будет попадать в охладитель, а затем в саму "коптильню", каждый, наверно, придумает сам с учетом своих возможностей.

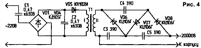
В качестве источника высокого напряжения можно использовать любой подходящий высоковольтный источник, например от телевизора. Ну а проще всего, наверно, сделать его самостоятельно по схеме, приведенной на рис.4.

bel-8oo4.gif
Рис.4

Единственная самодельная деталь в этом источнике - трансформатор. Лучше всего изготовить его из какого-нибудь строчного трансформатора, например, ТВС-110. Первичная обмотка удаляется. Вместо нее наматывается другая обмотка, число витков которой можно рассчитать по формуле:

n1=n2xUvd/7000

где n2 - число витков высоковольтной обмотки используемого трансформатора;
Uvd - напряжение включения динистора VD5.

В источнике могут быть использованы следующие комплектующие: С1, С2 - К73-17-630В-0,47мкФ; VD1...VD4 - КД105Г; VD5 - КН102И; VD6...VD8 - КЦ106Г;СЗ...С5-ПОВ-15кВ-390пФ. Можно использовать и готовый умножитель от цветного телевизора. Вкус копченого сала из-за этого не изменится. При использовании перечисленных деталей число витков первичной обмотки n1=20.

Следует обратить особое внимание на качество используемых материалов и осторожно пользоваться этим устройством. Если кто-нибудь ненароком "влезет" в высокое напряжение, то может стать и вегетарианцем (не знаю как мяса, а вот копченого сала ему, наверно, захочется не скоро). Включать высокое напряжение следует только после того как выполнены все необходимые манипуляции и все отошли от аппарата на расстояние 1,5...2 м.

Категорически запрещается пользоваться аппаратом детям!

Если использовать в устройстве конденсаторы СЗ...С5 емкостью 47 пФ, то он будет не так больно "биться" при неосторожном обращении, но в этом случае могут возникнуть проблемы с используемыми диэлектрическими материалами, если последние окажутся не очень качественными и будут иметь значительный ток утечки.

Конструкция описанного агрегата ни в малейшей степени не претендует на оптимальность, и поэтому желательно, чтобы каждый, кто захочет ее повторить, продумал все заново с учетом своих возможностей. Здесь открывается большой простор для фантазии радиолюбителя и кулинара (ведь можно попробовать закоптить даже соленый огурец!).


РЛ 8/2000, c.18-19.