 
В основе работы преобразователя ионометрического И-500 лежит принцип прямого измерения электродвижущей силы электродной системы с преобразованием в единицы химической активности водорода (рН) и единицы концентрации (мг/л, моль/л) одновалентных и двухвалентных анионов и катионов.
Преобразователь И-500 состоит из одного малогабаритного блока. На лицевой панели расположен жидкокристаллический индикатор и сенсорная клавиатура управления прибором.
Преобразователь при подключении датчика температуры измеряемой среды обеспечивает термокомпенсацию показаний активности ионов.
Преобразователь И-500 имеет стандартный порт связи RS232 и может подключаться к компьютеру для фиксирования и дальнейшей обработки даных измерений.
Преобразователь питается от встроенного аккумулятора, заряжаемого через преобразователь напряжения от сети переменного тока (220 В, 50 Гц). Напряжение питания И-500 — 9 В.
Диапазон измерения величин: э.д.с.,мВ от -2000 до +2000 активности ионов водорода (рН) от -0.50 до 14.00 концентрации ионов, мг/л от 3*10-3 до 5*104 мг/л моль/л от 3*10-8 до 5*10-1 Предел допустимых значений основной погрешности измерений: э.д.с.,мВ 0.7 рН, ед. рН 0.01 Предел допустимых значений относительной погрешности измерений концентрации ионов: % одновалентных 3 двухвалентных 5 Предел допустимых значений дополнительных погрешностей вызванных влиянием: - напряжения переменного тока 50 мВ в цепи вспомогательного электрода в диапазоне измерения величин: э.д.с.,мВ 0.4 рН, ед. рН 0.007 - температуры окружающего воздуха на каждые 10 оС в диапазоне измерения величин: э.д.с.,мВ 0.3 рН, ед. рН 0.005 Диапазон температуры окружающей среды, оС: 5 . . . 35 Стабильность показаний в пределах основной погрешности в течение непрерывной работы, ч 12 Время прогрева, мин 10 Время установления показаний,с 10 Напряжение питания, В 9 Габаритные размеры, мм 200х110х65 Масса, кг, не более 1
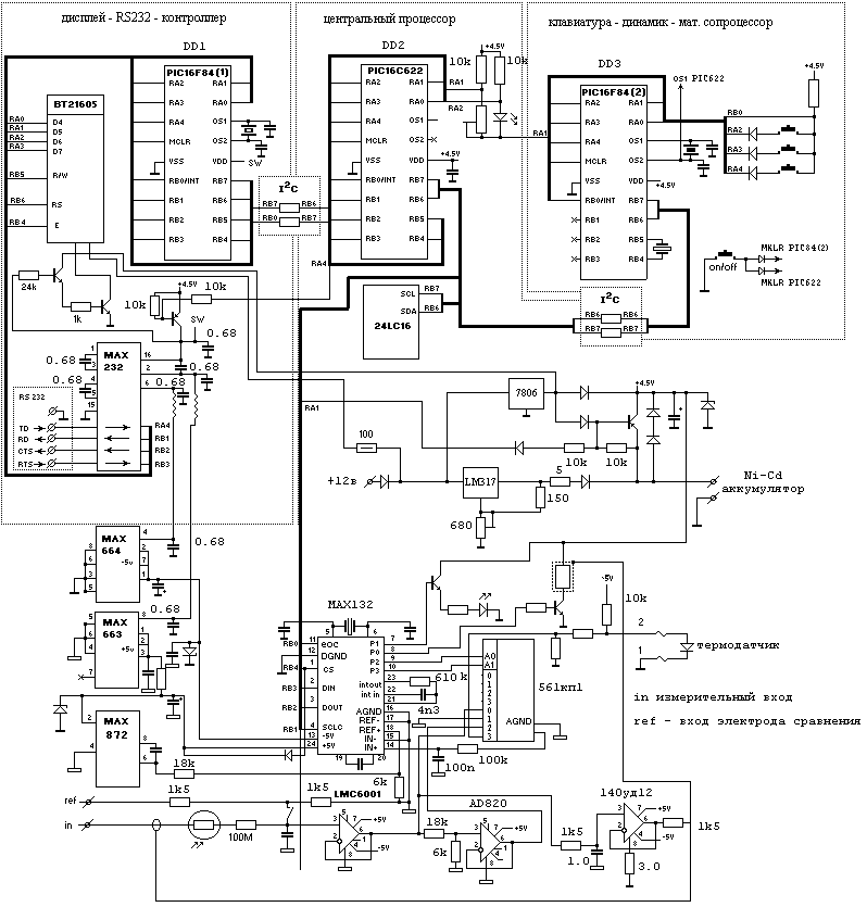
Схема прибора выполнена на 3-х PIC-контроллерах, связанных по шине I2C. Каждый контроллер выполняет фиксированный набор функций и может использоваться в других устройствах с минимальными затратами по перепрограммированию:
DD1 — вывод на 2-х строчный ЖКИ + RS232 9600 бод,
DD2 — управление аналоговой частью + интерпретатор команд,
DD3 — сопроцессор плавающей арифметики + ввод с клавиатуры.
Управляющая программа записана в ПЗУ 24LC16. Питание аналоговой части (+5 В, -5 В) производится от RS-232 формирователя.
 
 
********
Преобразователь ионометрический И-500 зарегистрирован в Государственном реестре средств измерений под N 16120-97 и допущен к применению в Российской Федерации.
Преобразователи ионометрические И-500 соответствуют ГОСТ 2798-88 "Анализаторы жидкости потенциометрические ГСП. Общие технические условия".