Сравнительно простое электронное устройство позволяет контролировать состояние удаленных от дома обьектов, например хозяйственного сарая на садовом участке.
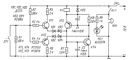
Схема устройства приведена на рисунке. Контакты SF1 установлены на двери охраняемого обьекта, там же находится и резистор R1. Штриховыми линиями показан шлейф от обьекта до дома.
 
В дежурном режиме на базы транзисторов VT1 и VT2 поступает половина напряжения питания с делителя R2R1, транзисторы VT1 и VT2 почти закрыты и ток, потребляемый устройством от источника питания, не превышает 110 мкА.
При открывании двери охраняемого обьекта и замыкании контактов SF1 тут же открывается транзистор VT2, который, в свою очередь, открывает транзисторы VT4 и VT3, образующие электронный управляемый переключатель. При этом срабатывает электромагнитное реле K1 и контактами K1.1 включает звонок HA1 (или иное сигнальное устройство) и светодиод HL1.
В случае обрыва шлейфа открывается транзистор VT1 (через резисторы R2, R3), а вслед за ним - транзистор VT3 (через резистор R5 и диод VD1) и транзистор VT4. Срабатывает реле K1 и контактами K1.1 включает сигнализацию.
Статический коэффициент передачи тока базы всех транзисторов - не менее 100. Реле К1 на ток срабатывания, не превышающий коллекторный ток транзисторов VT3 и VT4.