АВТОМАТИЧЕСКОЕ СМЕЩЕНИЕ В СМЕСИТЕЛЕ


В. ПОЛЯКОВ (RA3AAE), г Москва

Смеситель на встречно-параллельных диодах[1] позволяет реализовать высокую чувствительность и помехоустойчивость приемников прямого преобразования, малый уровень на пряження гетеродина на антенном входе. Однако у такого смесителя есть недостаток - он требует точного подбора напряжения гетеродина. Дело в том, что для получения максимального коэффициента передачи смесителя диоды должны открываться только на пиках гетеродинного напряжения Uгет (рис. 1), причем скважность t/T импульсов тока iд через диоды должна составлять примерно 0,5. Если в смесителе используются кремниевые диоды с напряжением отсечки Uотс, равным 0,5 В, то амплитуда гетеродинного напряжения должна быть 0,6...0,75 В. При меньших его значеньях диоды будут практически закрыты, а при больших почти все время оказываются открытыми. В обоих случаях коэффициент передачи смесителя уменьшается.

pr-379-1.gif
Puc.1

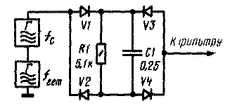
Устранить указанный выше недостаток можно введением в смеситель цепи автоматического смещения, которая при изменении напряжения гетеродина будет соответственно изменять и напряжение отсечки диодов, поддерживая тем самым постоянной скважность импульсов тока через диоды. Модифицированная схема смесителя показана на рис.2. Для повышения симметричности смесителя в него добавлены еще два включенных встречно-параллельно диода V3, V4, а цепь автоматического смещения R1C1 включенная в диагональ образовавшегося моста. Постоянная времени цепочки R1С1 должна быть больше периода наинизшей воспроизводимой звуковой частоты, иначе напряжение смешения будет "промодулировано" выходным сигналом.

pr-379-2.gif
Puc.2

Импульс тока во время положительного полупериода напряжения гетеродина проходит через диоды V1 и V4, а во время отрицательного - через V2 и V3. В обоих случаях эти импульсы вызывают на элементах R1, C1 напряжение смешения, пропорциональное амплитуде сигнала гетеродина.

Описанный смеситель можно несколько усовершенствовать (рис 3), подключив источник сигнала и нагрузку к средней точке катушки связи (L2) и средней точке цепи автоматическою смешения соответственно. При этом сильно ослабляется связь между цепями гетеродина и сигнала, так как они оказываются включенными в разные диагонали сбалансированного моста.

pr-379-3.gif
Puc.3

Входной сигнал с отвода катушки контура L1C2, настроенного на частоту сигнала, подается на среднюю точку катушки связи L2. Катушка L3 может быть контурной катушкой гетеродина, настроенного на частоту, равную половине частоты сигнала. Если же в гетеродине есть буферный каскад, катушками L2 и L3 могут служить обмотки высокочастотного трансформатора, намотанного на ферритовом кольце. Для напряжения гетеродина диоды смесителя V1 - V4 образуют мостовой выпрямитель, а напряжение смещения выделяется на цепочке RIC4C5. Низкочастотный сигнал снимается с точки соединения конденсаторов цепи смещения и поступает на фильтр НЧ L4C6C7 с частотой среза 3 кГц и далее на усилитель НЧ. Так как на выходе смесителя нет постоянной составляющей напряже ния, то разделительный конденсатор на входе низкочастотного усилителя не нужен.

Обе схемы смесителя (рис 2 и 3) были опробованы в приемнике прямого преобразования на диапазон 80 м[2]. Оказалось, что как кремниевые, так и германиевые диоды пригодны для смесителя с автоматическим смещением и дают примерно одинаковые результаты. Можно использовать диоды (перечисление идет от худших к лучшим) Д18, Д20, Д101-Д105, Д219-Д223, Д2, Д9, Д311, КД503, КДС523, КД514.

Измерения параметров смесителя показали, что коэффициент передачи его остался прежним (чувствительность приемника - 1,5 мкВ - не из менилась). Чувствительность приемника оставалась почти такой же и при изменении амплитуды напряжения гетеродина от 1 до 4,5В (его контролировали между крайними выводами катушки L2). Ослабление сигнала гетеродина частотой 1,75 МГц на отводе катушки L1 составляло 54 дБ. Дополнительное подавление сигнала гетеродина происходит во входном контуре. Ослабление мешающих AM сигналов превышало 80 дБ - AM сигнал амплитудой 0,1 В при глубине модуляции 30% и расстройке ± 50 кГц давал на выходе приемника такое же напряжение, как и полезный сигнал амплитуюй 7 мкВ.

Литература:

1. В Полякиов. Смеситель приемника прямого преобразования -«Радио». 1976, N 12 с 18-19
2. В. Поляков. Приемник прямого преобразования. Радио 1977 N 11, с. 53-55


РАДИО № 3 1979 г., c.24