Простой КВ-минитрансивер


Радован Власилик OM2ZZ

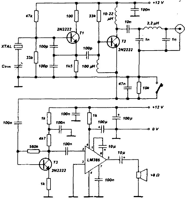
Для сборки простого КВ-минитрансивера потребуется всего три транзистора 2N2222 (аналог -КТ315) и одна микросхема LM386 (можно использовать К157УД1). На схеме (рис.1) T1 работает как генератор, Т2 -смеситель (в режиме приема) и УВЧ (при передаче).

rst-x4-1.gif

При нажатом телеграфном ключе эмиттер и база Т2 по постоянному току соединяются с общим проводом, при отжатом - через транзистор течет ток покоя и эмиттер является выходом смесителя. ТЗ работает как предусилитель НЧ, т.к. один LM386 не обеспечивает достаточное усиление. Трансивер может работать в различных диапазонах, для этого необходимо иметь соответствующий кварц, а также индуктивность и конденсаторы П-контура (табл. 1).

Диапазон, м

Емкость, пФ

Индуктивность,

мкГн

20

270

0,72

30

330

0,98

40

470

1,28

80

750

5,78

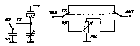
На 80 метрах использовался кварц на 3,579 МГц от телевизионного декодера NTSC. Трансивер имеет выходную мощность 200 мВт. Для обеспечения разноса частот приема и передачи около 1 кГц можно подключать в режиме передачи дополнительный конденсатор 1000 пф параллельно триммеру в цепи кварца (рис.2).

rst-x4-3.gif
Puc.2

На этом же рисунке показан вариант включения аттенюатора в режиме приема для повышения динамических характеристик приемника. На рис.3 показаны рисунок печатной платы и расположение на ней элементов.


«СО L», №10/99, с. 834