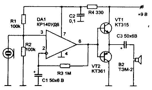
Микрофон-стетоскоп


Электронный стетоскоп регистрирует колебания стен толщиной до 0,5 м. При необходимости можно усилить до нужной величины, используя дополнительный усилитель низкой частоты. Датчик вибрации делается из пьезокерамической головки звукоснимателя от проигрывателя ПЭ-1, ТЗП-308Т или используются пьезоизлучатели ЗП-1, ТЗП-308, которые хорошо воспроизводят частоты в диапазоне 800-3000 Гц.

spy-x5-1.gif

Радиохобби 3/99