Приставка для записи телефонных разговоров


А. Кургузов, Москва

Иногда возникает необходимость записать телефонный разговор на магнитную ленту, не отвлекаясь для включения магнитофона. Проблема будет решена, если вы соедините магнитофон с телефоном через предлагаемую приставку.

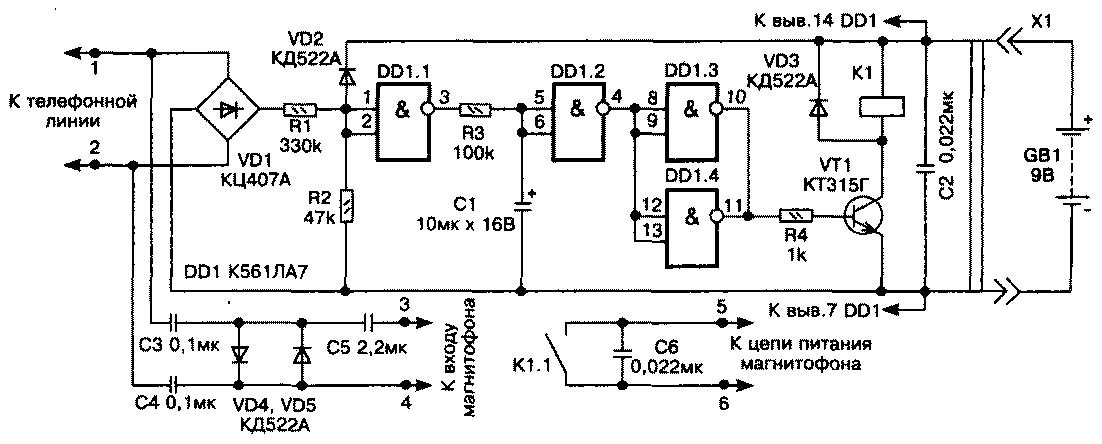
Описываемое устройство автоматически включает магнитофон для записи разговора и выключает, когда будет положена трубка. При эксплуатации приставки магнитофон должен быть постоянно включён на запись. Включение и выключение происходит путём коммутации цепи питания. Схема приставки показана на рис. 1.

tlf-x3-1.gif

Напряжение телефонной линии приложено к Делителю на резисторах R1 и R2. Когда трубка лежит на рычаге, в линии напряжение около 60 В, на выходе элемента DD1.1 низкий уровень, конденсатор С1 разряжен, на выходе DD1.3 также низкий уровень, транзистор VT1 закрыт, реле К1 обесточено, питание магнитофона выключено. При снятии трубки напряжение в линии падает до 5...12 В, на выходе DD1.1 - высокий уровень, конденсатор С1 начинает заряжаться через резистор R3.

При достижении на выводах конденсатора порогового уровня состояние элементов DD1.2 и DD1.3 изменяется на противоположное, в результате чего на выходе DD1.3 появляется высокий уровень. Транзистор VT1 открывается, реле К1 срабатывает. Через замыкающиеся контакты реле поступает питание на магнитофон. Напряжение звуковой частоты с линии подаётся через цепь СЗ, С4, VD4, VD5, С5 на линейный вход магнитофона.

По окончании разговора, как только телефонная трубка будет положена на рычаг, напряжение в линии возрастает до 60 В. На выходе элемента DD1.1 появляется низкий уровень.

Конденсатор С1 начинает разряжаться через резистор R3 и элемент DD1.1. Как только напряжение на конденсаторе достигнет порогового уровня, элементы DD1.2 и DD1.3 изменят своё состояние на потивоположное. Транзистор VT1 закроется, контакты реле К1 разомкнутся и отключат питание магнитофона. Поскольку постоянная времени цепи R3C1 значительно больше периода следования серии «наборных» импульсов при снятии трубки и наборе номера, магнитофон остаётся обесточенным. Однако, если снять трубку и не набирать номер какое-то время, конденсатор С1 успеет зарядиться и магнитофон включится.

Посылка сигнала вызова (80...120 В, 25 Гц) также не изменяет состояния элементов DD1.2 и DD1.3. Диод VD2 ограничивает напряжение на входе элемента DD1.1. Сопротивление конденсаторов С3, С4 на частоте 25 Гц свыше 60 кОм каждое, поэтому они не шунтируют вызывной сигнал. Диоды VD4, VD5 ограничивают напряжение на входе магнитофона на уровне 0,6...0,7 В.

Микросхема К561ЛА7 заменима на К561ЛЕ5, а также на аналогичные серии К176 и К564. Диодную сборку КЦ407 можно заменить четырьмя диодами с допустимым обратным напряжением более 200 В. Транзистор VT1 - структуры n-p-п с допустимой мощностью рассеяния коллектора не менее 150 мВт. Реле К1 - на напряжение срабатывания 5...7 В, например РЭС 10 (паспорт РС4.524.302 или 031-04-02), РЭС15 (паспорт РС4.591.003). Рисунок печатной платы изображен на рис.2.

Налаживание устройства сводится к подбору R1 и R2 для обеспечения чёткого срабатывания элемента DD1.1 при снятии и опускании трубки. Сопротивление резистора R1 не должно быть менее 330 кОм.


Радиохобби 3/99, с.30.