Плавный компенсационный мостовой аттенюатор для коротковолнового трансивера


Виктор Башкатов (US0IZ), г. Горловка Донецкой обл.

Аттенюатор - это устройство, позволяющее вносить строго определенное затухание в сигнал. Как известно, использование аттенюатора в коротковолновом трансивере (приемнике) особенно на низкочастотных диапазонах улучшает его динамический диапазон. Или, проще говоря, позволяет в условиях сильных помех уменьшить их уровень ниже порога возникновения интермодуляционных и блокирующих искажений в приемнике, но в то же время оставить достаточную чувствительность, чтобы «вытащить» интересующий Вас полезный сигнал. Практика показывает, что ступеней регулировки аттенюатора должно быть несколько (до 5-7) и шаг вносимого аттенюатором затухания - не более 5 дБ, максимум 10 дБ, так как при большем шаге не всегда удается «отстроиться» от мешающей помехи. Вот почему для этих целей желательно применять плавный аттенюатор, который позволяет в максимально возможной степени обеспечить прием полезного сигнала в условиях помех. Например, аттенюаторы в простых импортных трансиверах («мыльницах») имеют всего одну ступень регулировки -20 дБ.

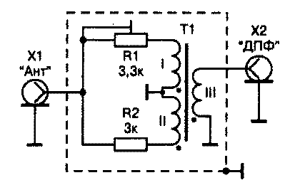
Предлагаемый аттенюатор (см. рис.) имеет хорошую линейность при различных уровнях сигнала. Диапазон регулирования ограничивается внутренней емкостью широкополосного трансформатора и может достигать 60 дБ, при этом максимальное затухание вносится аттенюатором при точной балансировке моста.

urt-x4o-1.gif

Указанный аттенюатор можно использовать и для плавной регулировки уровня выходной мощности трансивера, при сохранении высокой линейности сигнала. Конструктивно аттенюатор монтируется на выводах переменного резистора, который в свою очередь помещен в экран из белой жести, а его ручка выведена на переднюю панель трансивера. При использовании аттенюатора в качестве регулятора мощности он включается между драйвером (предусилителем) и усилителем мощности. Сигнал к аттенюатору должен подходить по коаксиальному кабелю РК-50 (РК-75).

Трансформатор Т1 наматывают 7 витками провода ПЭЛШО-0,27, сложенного втрое, на ферритовом кольце К 10x6x5 (или К7х4х2) проницаемостью М1000НМ.

urt-x4o-2.jpg
Вариант изготовления трансформатора на "бинокле" от ТВ антенны.

Литература

1. Радиолюбитель 1993г. №12 с. 36. Г. Гончар. Улучшает ли аттенюатор динамический диапазон.
2. С.Г. БуниниЛ.П. Яйленко. Справочник радиолюбителя коротковолновика. Киев "Технiка" 1978 г.
3. Б.Ю. Белоусов. Коротковолновый трансивер «Роса»


Радиохобби 4/2000.