Телевизионный антенный усилитель


И. Нечаев, г. Курск
Если на антенном входе телевизора сигнал слабый, то, естественно, добиться контрастного и устойчивого изображения на экране не удастся. Выход из создавшегося обстоятельства — применить усилитель телевизионного сигнала, который можно подключить непосредственно к приемной антенне на ее опорной мачте, либо включить его между входным гнездом телевизора и антенным кабелем — все зависит от конкретных местных условий.

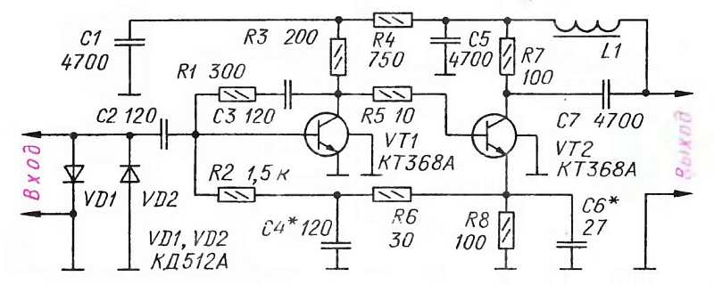
Простой антенный усилитель можно собрать по схеме, приведенной на рис. 1. Усилитель двухкаскадный, на транзисторах с нормированным коэффициентом шума (малошумящих). Резисторы R6 и R2 создают между каскадами усилителя глубокую отрицательную обратную связь (ООС) по постоянному напряжению, термо-стабилизирующую работу усилителя. Конденсатор СЗ и резистор R1 — цепь ООС по переменному напряжению, которая совместно с корректирующими конденсаторами С4 и С6 обеспечивает усилителю необходимую амплитудно-частотную характеристику (АЧХ). При напряжении источника питания 12 В и потребляемом токе 18 мА коэффициент усиления равен +25 дБ в полосе частот 40...230 МГц. При снижении напряжения источника питания до 6 В усиление уменьшается на 2...3 дБ, а потребляемый ток — до 12 мА.

ТВ антенный усилитель
Рис.1.

Использование для усилителя транзисторов с нормированным коэффициентом шума обеспечивает системе усилитель — телевизор хорошие шумовые свойства, а его большой коэффициент усиления — компенсацию потерь в коаксиальном кабеле, соединяющем антенну с телевизором.

Диоды VD1 и VD2 на входе усилителя защищают его от возможных мощных помех, создаваемых грозовыми разрядами. Резистор R4 и конденсатор С1 образуют развязывающий фильтр, предотвращающий возбуждение усилителя из-за возможной паразитной связи между каскадами через общий источник питания.

Все детали усилителя размещают на печатной плате, выполненной из двустороннего фольгированного стеклотекстолита (или гетинакса) толщиной 1,5 мм (рис. 2). Фольгу на плате со стороны деталей не удаляют. На ней необходимо только сделать зенковку отверстий (сверлом диаметром 4...5 мм) под выводы тех деталей, которые не должны соединяться с общим проводом.

ТВ антенный усилитель
Рис.2.

Затем фольгу обеих сторон платы соединяют по контуру полоской тонкой фольги. Выводы деталей, которые должны соединяться с общим проводом, припаивают к фольге обеих сторон платы.

После испытания и регулировки усилителя плату покрывают влагостойким лаком и размещают в металлическом корпусе подходящих размеров, припаивая ее по контуру к внутренней поверхности корпуса. Места пайки и сам корпус обязательно покрывают влагозащитным лаком или краской.

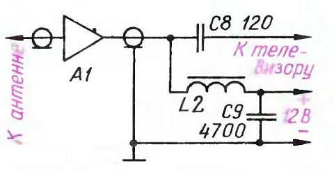
Схема соединения усилителя с источником питания, антенной и телевизором показана на рис. 3.

ТВ антенный усилитель
Рис.3.

Напряжение питания к его транзисторам подают через развязывающий фильтр L2C9 (такой же, как L1C5 усилителя), центральный провод и оплетку соединительного кабеля. Этот развязывающий узел питания, смонтированный в коробке небольших размеров, размещают на соединительном кабеле возле телевизора.

Транзисторы КТ368А усилителя можно заменить транзисторами КТ382А, КТ399А, соответственно подкорректировав рисунок проводников печатной платы. Можно, конечно, использовать и транзисторы с ненормированным коэффициентом шума, например, КТ316Б, КТ355А, но в этом случае ухудшатся шумовые свойства усилителя. Диоды — КД510А, КД514, КД522Б; конденсаторы — КЛС, КМ, КД; резисторы — ВС, МЛТ. Индуктивность дросселей L1 и L2 развязывающих узлов может быть 20...25 мкГн.

Налаживание усилителя сводится к получению требуемой АЧХ. Низкочастотную область АЧХ усилителя корректируют подбором конденсатора С4, высокочастотную — подбором конденсатора С6. Если надобности усиления телесигналов во всем диапазоне нет, как это обычно и бывает, то АЧХ усилителя можно сузить, настроив ее максимум на частоты сигналов принимаемых телевизионных каналов — это повысит помехозащищенность усилителя.

При размещении усилителя на открытом воздухе все электрические соединения следует выполнять пайкой с последующей защитой ее от влаги лаком или краской. Чтобы вода по соединительному кабелю не попадала в корпус усилителя, используйте проверенный опытом прием — делайте на кабеле «петлю», как показано на рис. 4.

ТВ антенный усилитель
Рис.4.

Вообще же усилитель целесообразно включать в разрыв соединительного кабеля возможно ближе к антенне и одновременно в защищенном от прямого воздействия влаги месте, например, на чердаке дома. Иногда эффективным может оказаться установка усилителя на входе телевизора. Что лучше — покажет эксперимент.

Paдиo № 6, 1992 г.


[ На главную ] [ В раздел ]