Микросхема AD8302 - высокочастотный усилитель и фазовый детектор


Особенности block-diagram
  • Измеряет усиление/потери и фазу до 2,7 ГГц
  • Двойные демодулирующие логарифмические усилители и фазовый детектор
  • Входной диапазон от –60 дБм до 0 дБм в системе 50
  • Точное масштабирование измерения усиления (30 мВ/дБ)
  • Типичная нелинейность < 0,5 дБ
  • Точное масштабирование измерения фазы (10 мВ/градус)
  • Типичная нелинейность < 1 градуса
  • Режимы измерения/контроллера/компаратора уровня
  • Работает от напряжений питания 2,7 В–5,5 В
  • Стабильный выход опорного напряжения 1,8 В
  • Полоса пропускания малой огибающей сигнала от постоянного тока до 30 МГц

Приложения

  • Линеаризация усилителя мощности ВЧ/ПЧ
  • Точное управление мощностью ВЧ
  • Удаленный мониторинг и диагностика системы
  • Измерения обратных потерь/КСВН
  • Функция логарифмического отношения для сигналов переменного тока

Описание продукта

AD8302 — это инновационная, полностью интегрированная система для измерения усиления/потерь и фазы в многочисленных приложениях приема, передачи и измерительных приборах. Для нее требуется несколько внешних компонентов и одно питание 2,7...5,5 В. Связанные по переменному току входные сигналы могут находиться в диапазоне от –60 дБм до 0 дБм в системе 50 Ом, от низких частот до 2,7 ГГц. Выходы обеспечивают точное измерение усиления или потери в диапазоне ±30 дБ, масштабированном до 30 мВ/дБ, и фазы в диапазоне 0°–180°, масштабированном до 10 мВ/градус. Обе подсистемы имеют выходную полосу пропускания 30 МГц, которая может быть дополнительно уменьшена путем добавления внешних фильтрующих конденсаторов. AD8302 может использоваться в режиме прямого управления для сервоусиления и фазы цепи сигнала в направлении предопределенных уставок. AD8302 включает в себя близко подобранную пару демодулирующих логарифмических усилителей, каждый из которых имеет диапазон измерения 60 дБ.

Принимая разницу их выходов, можно измерить отношение амплитуд или усиление между двумя входными сигналами. Эти сигналы могут быть даже на разных частотах, что позволяет измерять усиление или потерю преобразования. AD8302 может использоваться для определения абсолютного уровня сигнала, прикладывая неизвестный сигнал к одному входу и калиброванный опорный сигнал переменного тока к другому. При отключенном соединении обратной связи выходного каскада можно реализовать компаратор, используя выводы уставки MSET и PSET для программирования порогов.

Входы сигналов несимметричные, что позволяет согласовывать их и подключать напрямую к направленному ответвителю. Их входное сопротивление номинально составляет 3 кОм на низких частотах.
AD8302 включает в себя фазовый детектор типа умножителя, но с точным фазовым балансом, управляемый полностью ограниченными сигналами, появляющимися на выходах двух логарифмических усилителей.
Таким образом, точность измерения фазы не зависит от уровня сигнала в широком диапазоне.

Выходные напряжения фазы и усиления одновременно доступны на нагружаемых заземленных выходах в стандартном выходном диапазоне от 0 В до 1,8 В. Выходные драйверы могут подавать или отдавать до 8 мА. Нагружаемое стабильное опорное напряжение 1,8 В доступно для точного изменения выходного диапазона пользователем.

В приложениях контроллера соединение между выходным контактом усиления VMAG и контрольным контактом уставки MSET разрывается.
Желаемая уставка подается на MSET, а контрольный сигнал VMAG управляет соответствующим внешним устройством переменного усиления.
Аналогично, обратная связь между выходным контактом фазы VPHS и его контрольным контактом уставки PSET может быть разорвана, чтобы обеспечить работу в качестве фазового контроллера. AD8302 изготовлен по запатентованному высокопроизводительному биполярному процессу SOI 25 ГГц компании Analog Devices. Он доступен в 14-выводном корпусе TSSOP и работает в диапазоне температур от –40°C до +85°C. Доступна оценочная плата.

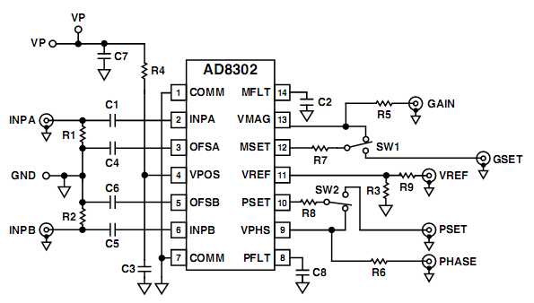
Назначение выводов

Схема
Номер
вывода
МнемоникаФункцияЭквивалентная
схема
1, 7COMMУстройство общее. Подключить к низкоомному заземлению.Цепь A
2INPAВход в канал A. Высокое входное сопротивление к каналу A. Должен быть связан по переменному току.Цепь A
3OFSAКонденсатор на землю на этом выводе устанавливает угол фильтра компенсации смещения и обеспечивает развязку входа.Цепь A
4VPOSНапряжение питания (VS), 2,7 В до 5,5 В.
5OFSBКонденсатор на землю на этом выводе устанавливает угол фильтра компенсации смещения и обеспечивает развязку входа.Цепь A
6INPBВход в канал B. Та же структура, что и у INPA.Цепь A
8PFLTКлемма фильтра нижних частот для фазового выхода.Цепь E
9VPHSНесимметричный выход, пропорциональный разнице фаз между INPA и INPB.Цепь B
10PSETКонтакт обратной связи для масштабирования выходного напряжения VPHS в режиме измерения. Подайте заданное напряжение для режима контроллера.Цепь D
11VREFВнутренне генерируемое опорное напряжение (номинальное значение 1,8 В).Цепь C
12MSETКонтакт обратной связи для масштабирования режима измерения выходного напряжения VMAG. Принимает заданное напряжение в режиме контроллера.Цепь D
13VMAGНесимметричный выход. Выходное напряжение пропорционально отношению децибел сигналов, подаваемых на INPA и INPB.Цепь B
14MFLTКлемма фильтра нижних частот для выхода амплитуды.Цепь E

Общее описание и теория

AD8302 измеряет отношение амплитуд, определяемое здесь как «усиление», и разность фаз между двумя сигналами. Пара согласованных логарифмических усилителей обеспечивает измерение, их жестко ограниченные выходы управляют фазовым детектором.

Основная теория

Логарифмические усилители (логарифмические усилители) обеспечивают логарифмическую функцию сжатия, которая преобразует большой диапазон уровней входного сигнала в компактный масштабированный в децибелах выход. Общая математическая форма:

VOUT = VSLP log (VIN/VZ) (1)

где VIN — входное напряжение, VZ называется точкой пересечения (напряжение), а VSLP называется наклоном (напряжение). Предполагается, что log(x) представляет функцию log10(x). Таким образом, VSLP — это «вольт/декада», а поскольку декада напряжения соответствует 20 дБ, VSLP/20 — это «вольт/дБ». VZ — это значение входного сигнала, которое приводит к нулевому выходу и не обязательно должно соответствовать физически реализуемой части диапазона сигнала логарифмического усилителя. В то время как наклон по сути является характеристикой логарифмического усилителя, точка пересечения также является функцией входной формы сигнала.1

Кроме того, точка пересечения обычно более чувствительна к температуре и частоте, чем наклон. Когда для измерения мощности используются одиночные логарифмические усилители, эта изменчивость вносит ошибки в абсолютную точность измерения, поскольку точка пересечения представляет собой опорный уровень.

AD8302 берет разницу в выходных данных двух идентичных логарифмических усилителей, каждый из которых управляется сигналами схожей формы сигнала, но на разных уровнях. Поскольку вычитание в логарифмической области соответствует отношению в линейной области, результирующий выход становится,

VMAG = VSLP log (VINA/VINB) (2)

где VINA и VINB — входные напряжения, VMAG — выход, соответствующий величине разницы уровней сигнала, а VSLP — наклон. Обратите внимание, что точка пересечения VZ выпала. В отличие от измерения мощности, при измерении безразмерной величины, такой как относительный уровень сигнала, не требуется вызывать независимую опорную точку или точку пересечения. По сути, один сигнал служит точкой пересечения для другого. Изменения в точке пересечения из-за частоты, процесса, температуры и напряжения питания влияют на оба канала одинаково и, следовательно, не влияют на разницу. Этот метод зависит от того, что два логарифмических усилителя хорошо согласованы по наклону и точке пересечения, чтобы гарантировать компенсацию. Это касается интегрированной пары логарифмических усилителей. Обратите внимание, что если два сигнала имеют разные формы волны (например, разные отношения пикового значения к среднему) или разные частоты, может возникнуть разница точек пересечения, что приводит к систематическому смещению.

Структура логарифмического усилителя состоит из каскада линейных/ограничивающих каскадов усиления с демодуляционными детекторами. Более подробную информацию о структуре и функции логарифмических усилителей можно найти в технических описаниях других логарифмических усилителей, производимых Analog Devices 2.

Выход конечного каскада логарифмического усилителя представляет собой полностью ограниченный сигнал в большей части входного динамического диапазона. Ограниченные выходы обоих логарифмических усилителей управляют цифровым фазовым детектором типа «исключающее ИЛИ». Работая строго на относительных нулевых пересечениях ограниченных сигналов, извлеченная разность фаз не зависит от исходных уровней входного сигнала. Выход фазы имеет общую форму,

VPHS = Vφ [φ (VINA) – φ (VINB)] (3)

где Vφ – наклон фазы в мВ/градус, а φ – относительная фаза каждого сигнала в градусах.

Структура

Общая форма AD8302 показана на рисунке 2. Основные блоки состоят из двух демодулирующих логарифмических усилителей, фазового детектора, выходных усилителей, ячейки смещения и буфера выходного опорного напряжения. Логарифмические усилители и фазовый детектор обрабатывают высокочастотные сигналы и передают информацию об усилении и фазе в виде тока на выходные усилители. Выходные усилители определяют окончательное усиление и масштабирование фазы. Внешние фильтрующие конденсаторы устанавливают постоянные времени усреднения для соответствующих выходов. Опорный буфер обеспечивает опорное напряжение 1,80 В, которое отслеживает внутренние константы масштабирования

AD8302
Рисунок 2. Общая структура AD8302

Каждый логарифмический усилитель состоит из каскада из шести каскадов усиления по 10 дБ с семью связанными детекторами. Отдельные каскады усиления имеют полосу пропускания 3 дБ свыше 5 ГГц. Путь сигнала полностью дифференциальный, чтобы минимизировать влияние синфазных сигналов и шума.

Поскольку общее каскадное усиление составляет 60 дБ, небольшие смещения постоянного тока могут привести к ограничению последних каскадов, что может привести к ошибкам измерения для малых сигналов. Это исправляется контуром обратной связи. Номинальная частота среза фильтра верхних частот, fHP, этого контура установлена внутренне на уровне 200 МГц, но может быть снижена путем добавления внешней емкости к выводам OFSA и OFSB. Сигналы на частотах значительно ниже угла фильтра верхних частот неотличимы от смещений постоянного тока и также обнуляются. Разница в выходах логарифмических усилителей выполняется в области тока, что дает, по аналогии с уравнением 2,

ILA = ISLP log (VINA/VINB) (4)

где ILA и ISLP — это разница выходного тока и наклон характеристики (ток) логарифмических усилителей соответственно. Наклон выводится из точного эталона, разработанного так, чтобы быть нечувствительным к температуре и напряжению питания. Фазовый детектор использует полностью симметричную структуру относительно своих двух входов, чтобы поддерживать сбалансированные задержки вдоль обоих путей сигнала. Полностью дифференциальная передача сигналов снова минимизирует чувствительность к синфазным возмущениям. Эквивалент токового режима уравнению 3 — это,

IPD = Iφ [φ (VINA) – φ (VINB) –90°] (5)

где IPD и Iφ — это выходной ток и наклон характеристики, связанные с фазовым детектором соответственно. Наклон выводится из того же эталона, что и наклон логарифмического усилителя.

Обратите внимание, что по соглашению разность фаз берется в диапазоне от –180° до +180°. Поскольку этот тип фазового детектора не различает ±90°, считается, что он имеет однозначный диапазон разности фаз 180°, который может быть либо от 0° до +180° с центром в 90°, либо от 0° до –180° с центром в –90°.

Базовая структура обоих выходных интерфейсов показана на рисунке 3. Он принимает входной сигнал уставки и включает в себя внутренний интегрирующий/усредняющий конденсатор и буферный усилитель с коэффициентом усиления K. Внешний доступ к этим уставкам обеспечивает несколько режимов работы и позволяет гибко настраивать характеристики передачи усиления и фазы.

Схема
Рисунок 3. Упрощенная блок-схема выходного интерфейса

Блок интерфейса уставки, характеризующийся трансрезистивным RF, генерирует ток, пропорциональный напряжению, подаваемому на его входной вывод, MSET или PSET. Точное напряжение смещения 900 мВ вводится внутри для установления центральной точки (VCP) для функций усиления и фазы; т. е. напряжение уставки, которое соответствует усилению 0 дБ и разнице фаз 90°. Этот ток уставки вычитается из тока сигнала, IIN, поступающего от логарифмических усилителей в канале усиления или от фазового детектора в фазовом канале. Результирующая разность интегрируется на усредняющих конденсаторах на выводе MFLT или PFLT, а затем буферизуется выходным усилителем на соответствующих выходных выводах VMAG и VPHS. При такой схеме с открытым контуром выходное напряжение представляет собой простую интеграцию разности между измеренным усилением/фазой и желаемой уставкой,

VOUT = RF (IIN–IFB )/(sT), (6)

где IFB — ток обратной связи, равный (VSET–VCP)/RF , VSET — вход уставки, а T — постоянная времени интегрирования, равная RFCAVE/K, где CAVE — параллельная комбинация внутреннего 1,5 пФ и внешнего конденсатора CFLT.

ОСНОВНЫЕ СОЕДИНЕНИЯ

Режим измерения

Основной функцией AD8302 является прямое измерение усиления и фазы. Когда выходные контакты VMAG и VPHS напрямую подключены к входным контактам уставки обратной связи MSET и PSET, активизируются наклоны и центральные точки по умолчанию. Это базовое соединение, показанное на рисунке 4, называется режимом измерения. Ток от интерфейса уставки принудительно устанавливается интегратором равным токам сигнала, поступающим от логарифмических усилителей и фазового детектора.

Таким образом, функция передачи замкнутого контура определяется как

VOUT = (IIN RF +VCP)/(1+ sT). (7)

Постоянная времени T представляет собой однополюсный отклик на огибающую функции усиления в масштабе дБ и фазы в масштабе градуса. Небольшой внутренний конденсатор устанавливает максимальную полосу пропускания огибающей приблизительно в 30 МГц. Если внешний CFLT не используется, AD8302 может отслеживать огибающие усиления и фазы в пределах этой полосы пропускания. Если требуется более длительное усреднение, CFLT можно добавлять по мере необходимости в соответствии с T (нс) = 3,3 ? CAVE (пФ). Для наилучшего переходного отклика с минимальным выбросом рекомендуется добавлять внешние конденсаторы минимальной емкостью 1 пФ к выводам MFLT и PFLT.

AD8302
Рисунок 4. Основные соединения для AD8302 в режиме измерения с масштабированием 30 мВ/дБ и 10 мВ/градус

В пределе низких частот функции передачи усиления и фазы, приведенные в уравнениях 4 и 5, становятся,

VMAG = RFISLP log (VINA/VINB)+ VCP или (8a)

VMAG = (RFISLP/20) (PINA–PINB)+VCP (8b)

VPHS = –RFIφ (|φ (VINA) – φ (VINB)|–90°) + VCP (9)

которые проиллюстрированы на рисунке 5. В уравнении 8b PINA и PINB являются мощностью в дБм, эквивалентной VINA и VINB при указанном опорном импедансе. Для функции усиления наклон, представленный RF ISLP, составляет 600 мВ/декада или, при делении на 20 дБ/декада, 30 мВ/дБ. При центральной точке 900 мВ для усиления 0 дБ диапазон от –30 дБ до +30 дБ охватывает полный размах от 0 В до 1,8 В. Для функции фазы наклон, представленный RFI?, составляет 10 мВ/градус. При центральной точке 900 мВ для 90° диапазон от 0° до +180° охватывает полный размах от 1,8 В до 0 В. Диапазон от 0° до –180° охватывает тот же полный размах, но с противоположным наклоном.

AD8302
Рисунок 5. Идеализированные передаточные характеристики для режима измерения усиления и фазы

Интерфейс с входными каналами

Несимметричные входные интерфейсы для обоих каналов идентичны и каждый состоит из управляющего контакта, INPA и INPB, и контакта заземления переменного тока, OFSA и OFSB. Все четыре контакта имеют внутреннее смещение постоянного тока около 100 мВ от положительного источника питания и должны быть внешне связаны переменным током с входными сигналами и землей. Для сигнальных контактов конденсатор связи должен обеспечивать пренебрежимо малый импеданс на частоте сигнала. Для заземляющих контактов конденсатор связи выполняет две функции: он обеспечивает заземление переменного тока и устанавливает частоту среза фильтра верхних частот для внутреннего контура компенсации смещения. Имеется внутренний конденсатор емкостью 10 пФ на землю, который устанавливает максимальный угол примерно на 200 МГц. Угол можно понизить в соответствии с формулой fHP (МГц) = 2/CC(нФ), где CC — общая емкость от OFSA или OFSB до земли, включая внутренние 10 пФ.

Входное сопротивление INPA и INPB является функцией частоты, конденсатора компенсации смещения и паразитных элементов корпуса. На умеренных частотах выше fHP входная сеть может быть аппроксимирована шунтирующим резистором 3 кОм параллельно с конденсатором 2 пФ. На более высоких частотах шунтирующее сопротивление уменьшается примерно до 500 Ом. Диаграмма Смита на рисунке 6 показывает входное сопротивление в диапазоне частот от 100 МГц до 3 ГГц.

AD8302
Рисунок 6. Диаграмма Смита, показывающая входное сопротивление одного канала от 100 МГц до 3 ГГц

Широкополосное резистивное завершение на сигнальной стороне конденсаторов связи может использоваться для согласования с заданным исходным сопротивлением. Значение согласующего резистора RT определяется по формуле:

RT = RIN RS/(RIN – RS) (10)

где RIN — входное сопротивление, а RS — исходное сопротивление.

На более высоких частотах реактивное, узкополосное согласование может быть желательным для настройки реактивной части входного импеданса. Важным атрибутом архитектуры двух логарифмических усилителей является то, что если оба канала находятся на одной частоте и имеют одну и ту же входную сеть, то несоответствия импеданса и потери на отражение становятся по сути синфазными и, следовательно, не влияют на относительное усиление и измерение фазы. Однако несоответствия в этих внешних компонентах могут привести к ошибкам измерения.

Динамический диапазон

Максимальный диапазон измерений для подсистемы усиления ограничен общим значением 60 дБ, распределенным от –30 дБ до +30 дБ.

Это означает, что можно измерить как усиление, так и затухание.
Пределы определяются минимальным и максимальным уровнями, которые может обнаружить каждый отдельный логарифмический усилитель. В AD8302 каждый логарифмический усилитель может обнаруживать входы в диапазоне от –73 дБВ (223 мкВ, –60 дБм относительно 50 Ом до –13 дБВ (223 мВ, 0 дБм относительно 50 Ом). Обратите внимание, что логарифмические усилители реагируют на напряжение, а не на мощность. Эквивалентную мощность можно вывести, учитывая уровень импеданса, например, для преобразования из дБВ в дБм в системе 50 Ом просто добавьте 13 дБ. Чтобы охватить весь диапазон, необходимо применить опорный уровень к одному логарифмическому усилителю, который точно соответствует его среднему диапазону. В AD8302 этот уровень составляет –43 дБВ, что соответствует –30 дБм в среде 50 Ом.

Другой канал теперь может проходить от своего нижнего предела, на 30 дБ ниже среднего диапазона, до своего верхнего предела, на 30 дБ выше среднего диапазона. Если опорный сигнал смещен со среднего диапазона, часть диапазона измерений будет потеряна на экстремальные значения. Это может произойти либо если логарифмические усилители выходят за пределы диапазона, либо если достигнуты рельсы на земле или 1,8 В. Рисунок 7 иллюстрирует влияние размещения уровня опорного канала. Если опорный уровень выбран ниже среднего на 10 дБ, то нижний предел будет на уровне –20 дБ, а не –30 дБ. Если опорный уровень выбран выше на 10 дБ, то верхний предел будет на уровне 20 дБ, а не 30 дБ.

AD8302
Рисунок 7. Влияние смещения опорного уровня заключается в
уменьшении максимального динамического диапазона.

Диапазон измерения фазы составляет от 0 до 180°. Для разности фаз от 0° до –180° передаточные характеристики зеркально отражаются, как показано на рисунке 5, с наклоном противоположного знака. Фазовый детектор реагирует на относительное положение нулевых переходов между двумя входными каналами. На более высоких частотах конечное время нарастания и спада амплитудно-ограниченных входов создает неоднозначную ситуацию, которая приводит к недоступным мертвым зонам на предельных значениях 0° и 180°. Для максимального охвата разности фаз опорная разность фаз должна быть установлена на 90°.

Перекрестная модуляция амплитуды и фазы

На высоких частотах непреднамеренная перекрестная связь между сигналами в каналах A и B неизбежно возникает из-за паразитных эффектов на уровне кристалла и платы. Когда два сигнала, представленные на входах AD8302, находятся на очень разных уровнях, перекрестная связь вносит перекрестную модуляцию фазовых и амплитудных откликов. Если два сигнала удерживаются на одинаковых относительных уровнях и фаза между ними модулируется, то должен реагировать только выход фазы.

Из-за перекрестной модуляции фазы в амплитуду выход амплитуды показывает остаточный отклик. Похожий эффект возникает, когда относительная фаза удерживается постоянной, а разность амплитуд модулируется; т. е. ожидаемый отклик амплитуды и остаточный фазовый отклик наблюдаются из-за перекрестной модуляции амплитуды в фазу. Точка, в которой эти эффекты становятся заметными, зависит от частоты сигнала и величины разности. Обычно для разностей <20 дБ эффекты перекрестной модуляции незначительны на частоте 900 МГц.

Изменение наклона и центральной точки

Значения наклона и центральной точки по умолчанию можно изменить, добавив внешние резисторы. Поскольку блоки выходного интерфейса обобщены как для амплитудных, так и для фазовых функций, методы изменения масштабирования одинаково применимы для обоих выходов. На рисунке 8 показано, как простой делитель напряжения от выводов VMAG и VPHS до выводов MSET и PSET может использоваться для изменения наклона. Увеличение наклона определяется как 1 + R1/(R2 20 кОм). Обратите внимание, что может потребоваться учесть входное сопротивление MSET и PSET 20 кОм, которое имеет производственный допуск ±20%. Как это обычно бывает в таких системах обратной связи, полоса пропускания огибающей уменьшается, а выходной шум, передаваемый со входа, увеличивается в том же размере.

Например, выбрав R1 и R2 равными 10 кОм и 20 кОм соответственно, наклон усиления увеличивается с номинальных 30 мВ/дБ в 2 раза до 60 мВ/дБ. Диапазон уменьшается в два раза, и новая центральная точка находится на уровне –15 дБ; т. е. диапазон теперь простирается от –30 дБ, что соответствует VMAG = 0 В, до 0 дБ, что соответствует VMAG = 1,8 В.

AD8302
Рисунок 8. Увеличение наклона требует включения делителя напряжения

Для возврата центральной точки к исходному значению 0 дБ просто требуется, чтобы соответствующее напряжение было подано на заземленную сторону нижнего резистора в делителе напряжения. Это напряжение может быть предоставлено извне или получено из внутреннего опорного напряжения на выводе VREF. Для конкретного выбора R2 = 20 кОм центральная точка легко перенастраивается на 0 дБ путем подключения вывода VREF непосредственно к нижнему выводу R2, как показано на рисунке 9. Увеличение наклона теперь упрощается до 1 + R1/10 кОм.

Поскольку это опорное напряжение 1,80 В получено из того же опорного напряжения запрещенной зоны, которое определяет номинальную центральную точку, их отслеживание при изменении температуры, питания и деталей должно быть лучше по сравнению с фиксированным внешним напряжением. Если центральная точка смещена на 0 дБ в предыдущем примере, где наклон был удвоен, то диапазон охватывает от –15 дБ при VMAG = 0 В до 15 дБ при VMAG = 1,8 В.

AD8302
Рисунок 9. Центральная точка перепозиционируется с помощью внутреннего опорного напряжения 1,80 В

Режимы компаратора и контроллера

AD8302 также может работать в режиме компаратора, если используется в схеме, показанной на рисунке 10, где DUT является элементом для оценки. Контакты VMAG и VPHS больше не подключены к MSET и PSET. Пороги срабатывания для сравнения усиления и разности фаз определяются напряжениями, приложенными к контактам MSET и PSET в соответствии с:

VMSET (V ) = 30 мВ/дБ x GainSP (дБ) + 900 мВ (11)

VPSET (V )= –10 мВ/° x (|PhaseSP (°)|–90°) + 900 мВ (12)

где GainSP (дБ) и PhaseSP (°) являются желаемыми порогами усиления и фазы. Если фактическое усиление и фаза между двумя входными каналами отличаются от этих порогов, выходы VMAG и VPHS переключаются как компараторы; т. е.,

1,8 В, если Gain > GainSP

VMAG = (13)

0 В, если Gain < GainSP

1,8 В, если Phase > PhaseSP

VPHS = (14)

0 В, если Phase < PhaseSP

AD8302
Рисунок 10. Отключение обратной связи от регуляторов уставки,
AD8302 работает в режиме компаратора

Режим компаратора можно перевести в режим контроллера, замкнув контур вокруг выходов VMAG и VPHS. На рисунке 11 показан контроллер с замкнутым контуром, который стабилизирует усиление и фазу DUT с помощью элементов регулировки усиления и фазы. Если VMAG и VPHS правильно настроены для управления блоками регулировки усиления и фазы, предшествующими DUT, фактический коэффициент усиления и фаза DUT будут сервоприводиться к заданному коэффициенту усиления и фазе, указанным в уравнениях 11 и 12. По сути, это контуры AGC и APC. Обратите внимание, что, как и во всех контурах управления такого рода, динамика контура и соответствующие интерфейсы должны быть рассмотрены более подробно.

AD8302
Рисунок 11. Применяя общую обратную связь к DUT через внешние
регуляторы усиления и фазы, AD8302 действует как контроллер.

ПРИЛОЖЕНИЯ

Измерение усиления и компрессии усилителя

Наиболее фундаментальным применением AD8302 является мониторинг усиления и фазовой характеристики функционального схемного блока, такого как усилитель или смеситель. Как показано на рисунке 12, направленные ответвители, DCB и DCA, отбирают входные и выходные сигналы DUT «черного ящика». Аттенюаторы гарантируют, что уровни сигнала, представленные AD8302, попадают в его динамический диапазон. Из обсуждения в разделе «Динамический диапазон» оптимальный выбор размещает оба канала при POPT = –30 дБм относительно 50 Ом, что соответствует –43 дБВ. Для достижения этого комбинация коэффициента связи и затухания задается как,

CB + LB = PIN – POPT (15)

CA + LA = PIN + GAINNOM–POPT (16)

где CB и CA – коэффициенты связи, LB и LA – коэффициенты затухания, а GAINNOM – номинальное усиление DUT. Если для обоих портов используются идентичные ответвители, то разница в двух аттенюаторах компенсирует номинальное усиление DUT. Когда фактическое усиление номинальное, выход VMAG составляет 900 мВ, что соответствует 0 дБ. Отклонения от номинального усиления отображаются как отклонение от 900 мВ или 0 дБ с масштабированием 30 мВ/дБ. В зависимости от номинальной фазы вставки, связанной с DUT, измерение фазы может потребовать фиксированного сдвига фазы последовательно с одним из каналов, чтобы привести номинальную разность фаз, представленную AD8302, к оптимальной точке 90°

Когда фаза вставки номинальная, выход VPHS составляет 900 мВ.
Отклонения от номинала сообщаются с масштабированием 10 мВ/градус. Таблица I дает предлагаемые значения компонентов для измерения усилителя с номинальным усилением 10 дБ и входной мощностью –10 дБм

AD8302
Рисунок 12. Использование AD8302 для измерения усиления и фазы вставки усилителя или смесителя

Таблица 1. Значения компонентов для измерения усилителя 10 дБ с входной мощностью –10 дБм

AD8302

Приложение для измерения усиления также может контролировать искажение усиления и фазы в форме преобразования AM-AM (сжатие усиления) и AM-PM. В этом случае номинальные усиление и фаза соответствуют значениям при низких уровнях входного сигнала. По мере увеличения входного уровня компрессия выходного сигнала и избыточные фазовые сдвиги измеряются как отклонения от случая низкого уровня. Обратите внимание, что уровни сигнала, по которым проходит вход, должны оставаться в динамическом диапазоне AD8302 для правильной работы.

Рефлектометр

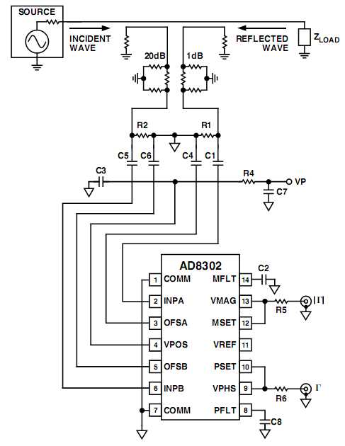
AD8302 можно настроить для измерения отношения амплитуд и разности фаз сигналов, падающих на нагрузку и отраженных от нее. Векторный коэффициент отражения, Г, определяется как,

Г= Отраженное напряжение/Падающее напряжение = (ZL – ZO)/(ZL + ZO), (16)

где ZL — комплексное сопротивление нагрузки, а ZO — характеристическое сопротивление системы. Измеренный коэффициент отражения можно использовать для расчета уровня несоответствия импеданса или коэффициента стоячей волны (КСВ) конкретного состояния нагрузки. Это оказывается особенно полезным при диагностике изменяющихся сопротивлений нагрузки, таких как антенны, которые могут ухудшить производительность и даже вызвать физическое повреждение. Схема векторного рефлектометра, представленная на рисунке 13, состоит из пары направленных ответвителей, которые отбирают падающие и отраженные сигналы. Аттенюаторы изменяют положение двух уровней сигнала в динамическом диапазоне AD8302. По аналогии с уравнениями 14 и 15, коэффициенты затухания и коэффициенты связи определяются как:

CB + LB = PIN – POPT (17)

CA + LA = PIN + NOM – POPT (18)

где NOM – номинальный коэффициент отражения в дБ, отрицательный для пассивных нагрузок. Рассмотрим случай, когда падающий сигнал составляет 10 дБм, а номинальный коэффициент отражения составляет –19 дБ.

Как показано на рисунке 13, при использовании ответвителей 20 дБ с обеих сторон и –30 дБм для POPT, аттенюаторы для каналов A и B составляют 1 дБ и 20 дБ соответственно. Величина и фаза коэффициента отражения доступны на выводах VMAG и VPHS, масштабированных до 30 мВ/дБ и 10 мВ/градус. Когда составляет –19 дБ, выход VMAG составляет 900 мВ

Точность измерения может быть скомпрометирована, если не учитывать детали на уровне платы. Минимизируйте физическое расстояние между последовательно соединенными ответвителями, поскольку дополнительная длина пути добавляет фазовую ошибку к . Сохраняйте пути от ответвителей до AD8302 максимально согласованными, поскольку любые различия вносят ошибки измерения. Конечная направленность, D, ответвителей устанавливает минимальный обнаруживаемый коэффициент отражения, т. е. |GMIN(dB)|<|D(dB)|.

AD8302
Рисунок 13. Использование AD8302 для измерения векторного коэффициента отражения от произвольной нагрузки

AD8302
Рисунок 14. Схема макетной платы

Таблица II. Распределение контактов P1

1 Общий
2 VPOS
3 Общий

AD8302
Рисунок 15a. Металл на стороне компонента оценочной платы
Рисунок 15b. Шелкография на стороне компонента оценочной платы

НАСТРОЙКИ И МЕТОДЫ ХАРАКТЕРИЗАЦИИ

Общая конфигурация оборудования, используемая для большей части характеристик AD8302, показана на рисунке 16. Плата характеристики похожа на плату оценки клиента. Два генератора сигналов с синхронизацией по опорному сигналу R & S SMT03 используются в качестве входов для INPA и INPB, в то время как выходы усиления и фазы контролируются с помощью осциллографа TDS 744A с 10-кратными высокоомными зондами и мультиметров Agilent 34401A.

Усиление

Основной метод, используемый для оценки производительности статического усиления (VMAG), заключался в установке одного источника на фиксированный уровень и развертке амплитуды другого источника, при этом измеряя выход VMAG с помощью цифрового мультиметра. На практике два источника работали со смещением частоты 100 кГц, а средний выход измерялся с помощью цифрового мультиметра для устранения ошибок, которые могли быть вызваны модуляцией усиления/фазы из-за фазового дрожания между двумя источниками.

Указанные ошибки представляют собой разницу между линией наилучшего соответствия, рассчитанной с помощью линейной регрессии, и фактическими измеренными данными, деленными на наклон линии, чтобы получить ошибку в В/дБ. «Ошибка, указанная для 25 °C», использует тот же метод, при этом всегда используя наклон и точку пересечения, рассчитанные для этого устройства при 25 °C.

Измерение отклика, выполненное на выходе VMAG, использовало конфигурацию, показанную на рисунке 17.
Переменный аттенюатор Alpha AD260 управляется импульсным генератором HP8112A, производящим изменение уровня РЧ в течение 10 нс.

Измерения спектральной плотности шума проводились с использованием HP3589A с входами, подаваемыми через фазовый делитель Narda 4032C 90°.

Для измерения модуляции VMAG из-за изменения фазы снова источники работали со смещением частоты fOS, эффективно создавая непрерывное линейное изменение фазы, проходящее через 360° один раз каждые 1/fOS секунд. Затем выход VMAG измеряется с помощью DSO. Когда воспринимается, только на высоких частотах и ??больших различиях входной амплитуды, линейно нарастающая фаза создает выходной сигнал, близкий к синусоидальному, на ожидаемом уровне выходного сигнала постоянного тока VMAG. Кривые в TPC 24 показывают уровень выходного сигнала от пика до пика, измеренный с усреднением.

Фаза

Большая часть выходных данных VPHS была собрана путем генерации изменения фазы, снова путем работы двух входных источников с небольшим смещением частоты (обычно 100 кГц) с использованием той же конфигурации, показанной на рисунке 16. Хотя этот метод дает превосходное линейное изменение фазы, подходящее для измерения наклона и линейности, в нем отсутствует абсолютная опорная точка фазы. На кривых, показывающих качающуюся фазу, фаза, при которой VPHS совпадает с VPHS без входного сигнала, принимается равной –90°, а все остальные углы являются ссылками на нее. Типичные кривые производительности показывают два показателя качества: мгновенный наклон и ошибку. Мгновенный наклон, как показано в TPC 43, 44 и 45, был рассчитан просто путем взятия дельты в VPHS по угловому изменению для соседних точек измерения.

AD8302
Рисунок 16. Настройка первичной характеристики

AD8302
Рисунок 17. Настройка измерения динамических характеристик VMAG


Материал перевел подготовил - RA3TOX
Февраль 2026


[ На главную ] [ В раздел ]