Генератор с управлением напряжением MC1648


Микросхема MC1648 может использоваться во многих приложениях, требующих источника тактового сигнала с фиксированной или переменной частотой и высокой спектральной чистотой.

Для работы MC1648 требуется всего несколько элементов: внешний параллельный колебательный контур, состоящий из индуктивности (L) и конденсатора (C). Для достижения максимальной производительности QL≥100 на рабочей частоте.

В колебательный контур может быть включен варикапный диод для обеспечения изменяемого входного напряжения для генератора (VCO). MC1648 была разработан для использования в фазовой автоподстройке частоты Motorola, показанной на рисунке 9.

MC1648 может работать от источника постоянного тока +5,0 В или ±5,2 В, в зависимости от требований системы.

ПРИМЕЧАНИЕ: MC1648 НЕ может использоваться в качестве кварцевого генератора.

MC1648
Расположение выводов

ЛОГИЧЕСКАЯ СХЕМА

MC1648 • Входная емкость = 6,0 пФ (тип.)
• Максимальное последовательное сопротивление для L (внешняя индуктивность) = 50 Ом (тип.)
• Рассеиваемая мощность = 150 мВт (тип.)/корпус (+5,0 В постоянного тока)
• Максимальная выходная частота = 225 МГц (тип.)

VCC1 = вывод 1
VCC2 = вывод 14
VEE = вывод 7

Таблица. ЭЛЕКТРИЧЕСКИЕ ХАРАКТЕРИСТИКИ (Напряжение питания = +5,0 В)
MC1648

MC1648
Рисунок 2. Спектральная чистота выходного сигнала при тестировании на частоте 200 МГц

MC1648
Рисунок 3. Схема тестирования и осциллограммы.

РАБОЧИЕ ХАРАКТЕРИСТИКИ

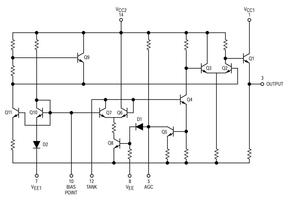
На рисунке 1 представлена принципиальная схема микросхемы MC1648.
Генератор использует положительную обратную связь, соединяя базу транзистора Q6 с коллектором транзистора Q7. Для ограничения тока через эмиттерно-связанную пару транзисторов (Q7 и Q6) и обеспечения оптимальной частотной характеристики генератора используется автоматическая регулировка усиления (AGC).

MC1648
Рисунок 1. Принципиальная схема.

Для поддержания высокого значения добротности (Q) генератора и обеспечения высокой спектральной чистоты на выходе, транзистор Q4 используется для преобразования сигнала генератора в выходную дифференциальную пару Q2 и Q3. Транзисторы Q2 и Q3, совместно с выходным транзистором Q1, обеспечивают сильно буферизованный выходной сигнал, который генерирует прямоугольную волну. Транзисторы Q9 и Q11 обеспечивают смещение для генератора и выходного буфера. На рисунке 2 показана высокая спектральная чистота выходного сигнала генератора (вывод 3).

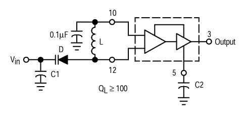
При работе генератора в режиме управления напряжением (рис. 4) следует отметить, что катод варикапного диода (D) должен быть смещен как минимум на "2" VBE выше VEE (1,4 В при работе от положительного источника питания).

MC1648
Рисунок 4. Микросхема MC1648, работающая
в режиме управления напряжением

При использовании MC1648 с постоянным постоянным напряжением на варикапном диоде выходная частота будет незначительно изменяться из-за внутреннего шума. Это изменение показано на графике в зависимости от рабочей частоты на рисунке 5.

MC1648
Рисунок 5. Схема и форма сигнала для проверки отклонения шума

MC1648
Рисунок 6.

Типичные передаточные характеристики генератора в режиме управления напряжением показаны на рисунках 6, 7 и 8. На рисунках 6 и 8 показаны передаточные характеристики с использованием только емкости варикапного диода (плюс входная емкость генератора, типичная 6,0 пФ).

MC1648
Рисунок 7.

На рисунке 7 показан генератор, работающий в режиме управления напряжением с ограниченным диапазоном выходных частот. Это достигается путем добавления конденсатора параллельно колебательному контуру, как показано на рисунке. Резистор 1,0 кОм на рисунках 6 и 7 используется для защиты варикапного диода во время тестирования. Он не является необходимым, пока входное постоянное напряжение не вызывает прямого смещения диода. Резистор большего значения (51 кОм) на рисунке 8 необходим для обеспечения изоляции высокоимпедансных переходов двух варикапных диодов.

MC1648
Рисунок 8.

Диапазон настройки генератора в режиме управления напряжением можно рассчитать следующим образом:

MC1648

CS = шунтирующая емкость (входная емкость плюс внешняя емкость)
CD = емкость варикапа как функция напряжения смещения

Необходима хорошая ВЧ- и низкочастотная шунтирующая изоляция на выводах питания (см. рис. 2).

Конденсаторы (C1 и C2 на рис. 4) следует использовать для шунтирования точки АРУ и входа ГУН (варикапного диода), гарантируя наличие только постоянного тока в этих точках.

Для работы на выходной частоте от 1,0 МГц до 50 МГц достаточно конденсатора 0,1 мкФ для C1 и C2. На более высоких частотах следует использовать меньшие значения емкости; на более низких частотах — большие значения емкости. На высоких частотах значение шунтирующих конденсаторов напрямую зависит от физической компоновки системы. Вся шунтирующая изоляция должна располагаться как можно ближе к выводам корпуса, чтобы минимизировать нежелательную индуктивность выводов.

Размах напряжения резонансного контура от пика до пика устанавливается внутри схемы АРУ. Поскольку размах напряжения резонансного контура обеспечивает управление выходным буфером, потенциал АРУ напрямую влияет на форму выходного сигнала. Если требуется получить синусоидальный сигнал на выходе MC1648, последовательно подключается резистор от точки АРУ к наиболее отрицательному потенциалу питания (земля, если используется источник питания +5,0 В, ±5,2 В, если используется отрицательный источник питания), как показано на рисунке 10.

На частотах выше 100 МГц (типично) может быть желательно увеличить размах напряжения резонансного контура от пика до пика, чтобы сформировать сигнал на выходе MC1648. Это достигается путем подключения последовательного резистора (минимум 1,0 кОм) от АРУ к наиболее положительному потенциалу питания (+5,0 В, если используется источник питания +5,0 В, земля, если используется источник питания ±5,2 В). Рисунок 11 иллюстрирует этот принцип.

ИНФОРМАЦИЯ ПО ПРИМЕНЕНИЮ

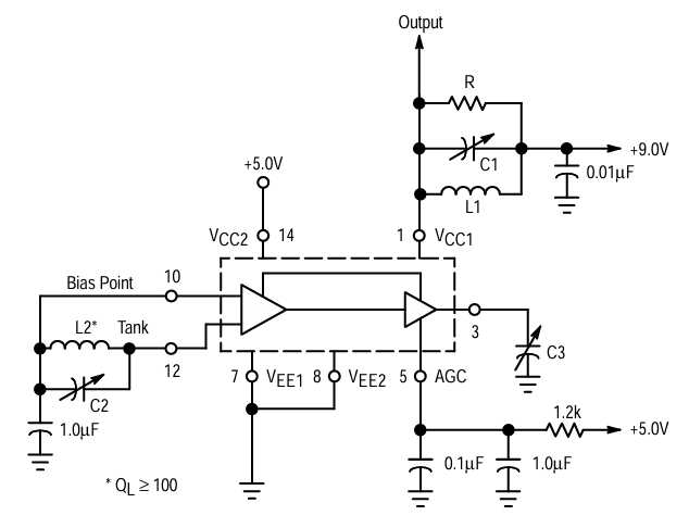
Фазовая автоподстройка частоты, показанная на рисунке 9, иллюстрирует использование MC1648 в качестве управляемого напряжением генератора. На рисунке показан синтезатор частоты, полезный в тюнерах для FM-вещания, авиации общего назначения, морской и наземной мобильной связи, любительских и CB-приемников. Система работает от одного источника постоянного тока +5,0 В и не требует внутренних преобразователей, поскольку все компоненты совместимы.

MC1648
Рисунок 9. Типичное применение MC1648 в синтезаторе частоты.

Генерация частоты такого типа предлагает преимущества работы с одним кварцевым резонатором, простого выбора канала и отсутствия специальной схемы для предотвращения гармонической блокировки.

Дополнительные особенности включают цифровое переключение постоянного тока (предпочтительнее, чем переключение ВЧ-сигнала в многокристальной системе) и широкий диапазон настройки (до 150 МГц, диапазон устанавливается варикапным диодом).

Выходная частота контура синтезатора определяется опорной частотой и числом, запрограммированным на программируемом счетчике; fout = Nfref. Расстояние между каналами равно частоте (fref).

Для получения дополнительной информации о применении и проектировании фазовых автоподстроек и цифровых синтезаторов частоты см. брошюру Motorola BR504/D, «Электронные системы адресной настройки» (ETAS).

На рисунке 10 показан MC1648 в режиме переменной частоты, работающий от источника постоянного тока +5,0 В. Для получения синусоидального сигнала на выходе добавлен резистор от цепи АРУ (вывод 5) к VEE.

MC1648
Рисунок 10. Способ получения синусоидального/прямоугольного выходного сигнала

На рисунке 11 показан MC1648 в режиме переменной частоты, работающий от источника постоянного тока +5,0 В. Для расширения полезного диапазона устройства (поддержание выходного сигнала в виде прямоугольной волны выше 175 МГц) к цепи АРУ на выводе 5 добавлен резистор (минимум 1,0 кОм).

MC1648
Рисунок 11. Способ расширения полезного диапазона MC1648 (прямоугольный выходной сигнал)

На рисунке 12 показан MC1648, работающий от источников питания +5,0 В и +9,0 В. Это позволяет получить больший размах напряжения и большую выходную мощность, чем это возможно на выходе MECL (вывод 3).

MC1648
Рисунок 12. Схема, используемая для работы коллекторного выхода.

Оптимальное значение R на частоте 100 МГц составляет приблизительно 850 Ом.

На рисунках 13 и 14 представлены графики зависимости выходной мощности от общего сопротивления коллекторной нагрузки на выводе 1 для работы на частотах 100 МГц и 10 МГц. Общая коллекторная нагрузка включает резистор R, соединенный параллельно с резистором Rp транзистора L1 и конденсатора C1 в резонансе.

MC1648
Рисунок 13. Выходная мощность в зависимости от нагрузки коллектора (100 МГц)

MC1648
Рисунок 14. Выходная мощность в зависимости от нагрузки коллектора (10 МГц)


Генератор управляемый напряжением 48–78 МГц. (http://www.qrp.gr/singlespanosc/index.htm)

(ГУН) основан на микросхеме MC1648. Он генерирует колебания в диапазоне 48–78 МГц. Резистор 3,9 кОм устанавливает АРУ таким образом, чтобы выходная мощность была максимально линейной во всем частотном диапазоне, а синусоидальный сигнал — максимально неискаженным. Выходная мощность составляет 0,35–0,43 В (пиковое значение) во всем частотном диапазоне. Индуктивность содержит 11 витков на тороидальном сердечнике T30-12 и выбрана таким образом, чтобы большая оборотов многооборотного потенциометра использовалась в диапазоне 48–78 МГц. Это обеспечивает более точную настройку частоты во всем диапазоне.

MC1648

MC1648


ГАБАРИИТНЫЕ РАЗМЕРЫ
MC1648


Платы с Aliexpress

MC1648
MC1648 MC1648


Материал перевёл и подготовил - RA3TOX
Февраль 2026


[ На главную ] [ Применение микросхем ]