Принцип работы и применение микросхемы LM567 (NE567)


https://en.eeworld.com.cn
Обзор функций аудиодекодера LM567.

В этой статье рассматривается схема фазовой автоподстройки частоты и представлен однокристальный аудиодекодер на базе микросхемы LM567 (NE567). Этот блок декодирования тонов содержит стабильную фазовую автоподстройку частоты и транзисторный переключатель. При подаче заданного аудиосигнала на вход этого интегрального блока генерируется сигнал заземления. Этот аудиодекодер может декодировать тоны различных частот. Например, распознавать тон нажатия клавиши телефона. Этот аудиодекодер также может использоваться в BB-машинах, мониторах и контроллерах частоты, прецизионных генераторах и декодерах телеметрии. В этой статье в основном рассматривается аудиодекодер/фазовая автоподстройка частоты NE567 от Philips.

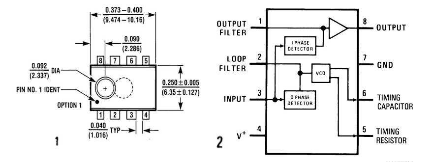
Это недорогой продукт типа 567 в 8-контактном корпусе DIP. На рисунке 1 показана схема расположения выводов этого корпуса. На рисунке 2 показана внутренняя блок-схема этого устройства. Как видно, основными компонентами NE567 являются фазовая автоподстройка частоты, ортогональный фазовый детектор, усилитель и выходной транзистор. Фазовая автоподстройка частоты содержит управляемый током генератор (CC0), фазовый детектор и фильтр обратной связи.

NE567 от Philips имеет определенный диапазон рабочих температур, а именно от 0 до +70?. Его электрические характеристики примерно такие же, как у SE567 от Philips, за исключением того, что рабочая температура SE567 составляет от -55 до 125°F. Однако 567 зарекомендовал себя как промышленный стандарт аудиодекодера, и несколько других многонациональных производителей полупроводниковых интегральных схем также выпускают этот интегральный блок.

Например, Analg Device поставляет три AD567, EXar — пять XR567, а National Sevniconductor — три LM567. Все эти различные марки устройств на базе 567 могут корректно работать в схеме, рассматриваемой в данной статье. Поэтому в данной статье эти устройства будут называться аудиодекодерами 567.

Принцип работы микросхемы 567 аналогичен принципу работы низковольтного силового выключателя. При поступлении входного сигнала в выбранном узком частотном диапазоне выключатель включается. Другими словами, 567 может использоваться как прецизионный регулятор тембра.

В целом, 567 также может использоваться как генератор переменных сигналов или как схема фазовой автоподстройки частоты. При использовании в качестве регулятора тембра центральная частота детектируемого сигнала может быть установлена ??на любое значение в диапазоне от 0,1 до 500 кГц, а полоса пропускания детектируемого сигнала — на любое значение в пределах 14% от центральной частоты. Кроме того, задержка срабатывания выключателя может изменяться в широком диапазоне времени путем выбора внешних резисторов и конденсаторов.

Управляемый током генератор 567 может изменять свою частоту колебаний в широком диапазоне частот с помощью внешнего резистора R1 и конденсатора C1, но может изменять свою частоту колебаний только в очень узком диапазоне частот (максимальный диапазон составляет около 14% от частоты свободных колебаний) через сигнал на выводе 2. Поэтому фазовая автоподстройка частоты (ФАПЧ) на 567 может «зафиксироваться» только в очень узком диапазоне частот заданных значений входной частоты. Встроенный фазовый детектор 567 сравнивает относительную частоту и фазу входного сигнала и выходного сигнала генератора. Стабильный выходной сигнал будет получен только тогда, когда эти два сигнала идентичны (т.е. ФАПЧ зафиксирована). Центральная частота переключателя тона 567 равна его частоте свободных колебаний, а его полоса пропускания равна диапазону фиксации ФАПЧ.

На рисунке 3 показана базовая схема подключения микросхемы 567 при использовании в качестве тонального переключателя. Входной тональный сигнал подается на вывод 3 через конденсатор C4, входное сопротивление которого составляет около 20 кОм. Внешний выходной нагрузочный резистор RL, установленный между положительным выводом питания и выводом 8, связан с напряжением питания. Максимальное значение напряжения питания составляет 15 В, а вывод 8 может выдерживать ток нагрузки до 100 мА. Вывод 7 обычно заземлен, а вывод 4 подключен к положительному источнику питания, но значение напряжения на нем должно быть не менее 4,75 В и не более 9 В. Если вы обратите внимание на дросселирование, вывод 8 также можно подключить к положительному источнику питания вывода 4.

Центральная частота (fo) генератора также определяется по следующей формуле:

fo = 1 / 1,1 x (R1 x C1) . . . . .(1)

Здесь единица измерения сопротивления — кОм, единица измерения емкости — мкФ, а единица измерения fo — кГц.

Сдвигая члены в уравнении (1), мы можем получить значение емкости конденсатора C1:

C1 = 1 / 1,1 x (fo x R1) . . . . .(2)

Используя эти две формулы, можно определить значения емкости конденсатора и резистора. Значение резистора R1 должно находиться в диапазоне от 2 до 20 кОм. Затем значение конденсатора определяется уравнением (2).

Введите номинал конденсатора C (нФ) :
Введите номинал резистора R (ом) :
Частота (кГц)
On-Line calculator from RA3TOX ®"Радиофанат"

Этот генератор генерирует экспоненциальную пилообразную волну на выводе 6 и прямоугольную волну на выводе 5. Полоса пропускания этого тонального переключателя (и диапазон блокировки ФАПЧ) определяется C2 и резистором 3,9 кОм внутри микросхемы 567. Задержка переключения выходного сигнала этой схемы определяется C3 и резистором внутри интегральной схемы.

На рисунках 4 и 5 показано, как заставить микросхему 567 генерировать точный прямоугольный сигнал. Нелинейную пилообразную волну можно получить с вывода 6, но её использование ограничено. Однако на выводе 5 можно получить прямоугольный сигнал с отличными характеристиками. Как показано на рисунке 4, время нарастания и спада выходного прямоугольного сигнала составляет 20 нс.

Пиковая амплитуда этого прямоугольного сигнала равна напряжению питания минус 1,4 В. Характеристики этого генератора прямоугольных сигналов и нагрузки превосходны, и любая резистивная нагрузка более 1 кОм не повлияет на работу схемы. Кроме того, выход этого генератора прямоугольных сигналов можно также использовать с низкоимпедансной нагрузкой. Как показано на рисунке 5, пиковый ток на выходе вывода 8 достигает 100 мА, но форма сигнала несколько хуже.

Используя вышеупомянутые формулы расчета частоты колебаний и емкости (1) и (2), можно определить различные параметры этого типа генератора. Аналогично, значение R1 должно быть ограничено диапазоном от 2 до 20 кОм. Для упрощения расчетов и экономии времени значения компонентов, определяющих частоту колебаний, также можно считывать непосредственно из номограммы, показанной на рисунке 6.

Например, если вам нужно, чтобы этот генератор 567 работал на частоте 10 кГц, значения C1 и R1 могут быть равны 0,055 мкФ и 2 кОм или 0,0055 мкФ и 20 кОм.

Добавление управляющего напряжения на вывод 2 микросхемы 567 позволяет точно настроить рабочую частоту генератора на несколько процентов в узком диапазоне. При добавлении управляющего напряжения вывод 2 следует подключить к развязывающему конденсатору C2, значение которого должно быть примерно вдвое больше значения C1.

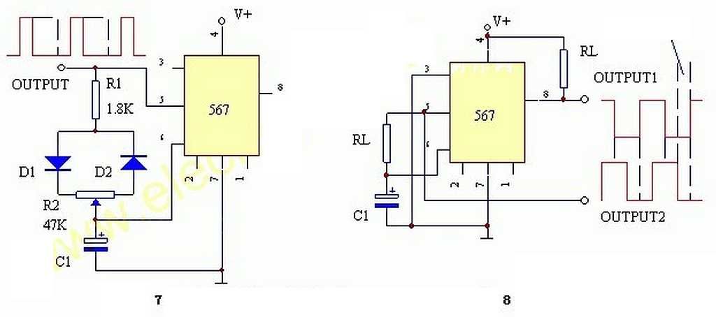
Схемы на рис. 4 и 5 могут быть модифицированы различными способами, как показано на рис. 7–10. На рис. 7 коэффициент заполнения или соотношение сигнал/шум генерируемого сигнала полностью регулируется, изменяясь от 27:1 до 1:27 с помощью подстроечного потенциометра R2. Кроме того, в течение каждого рабочего цикла конденсатор C1 попеременно заряжается и разряжается, заряжаясь через резистор R1, диод D1 и R2 слева и разряжаясь через резистор R1, диод D2 и R2 справа. Только рабочая частота незначительно изменяется при изменении соотношения сигнал/шум.

Схема, показанная на рис. 8, генерирует ортогональные прямоугольные волны, причем два прямоугольных сигнала на выводах 5 и 8 имеют разность фаз 90°. В этой схеме входной вывод 3 подключен к земле. Если на вывод 3 подается напряжение смещения более 2,8 В, прямоугольная волна на выводе 8 имеет фазовый сдвиг 180°.

На рис. 9 и 10 показаны схемы генераторов с номиналами резисторов синхронизации до примерно 500 кОм. Таким образом, значение конденсатора синхронизации C1 можно пропорционально уменьшить. В обеих схемах между выводом 6 микросхемы 567 и узлом R1 и C1 имеется буферный каскад.

На рис. 9 этот буферный каскад представляет собой эмиттерный повторитель транзистора. К сожалению, введение этого каскада делает форму сигнала несколько менее симметричной. Соответственно, в схеме, показанной на рис. 10, в качестве буферного каскада используется первый повторитель на операционном усилителе. Это не влияет на симметрию формы сигнала.

Пять выходов микросхемы 567. Два из них (выводы 5 и 6) обеспечивают выходной сигнал генератора, а третий выходной вывод, вывод 8, является основным выходным портом микросхемы 567, как упоминалось выше. Оставшиеся два выходных вывода — это выводы 1 и 2 этого декодера.

Вывод 2 подключен к выходу фазового детектора фазовой автоподстройки частоты и внутренне статически смещен до 3,8 В. Когда микросхема 567 получает входной сигнал в полосе частот, это напряжение смещения изменяется соответствующим образом, и в типичном диапазоне от 0,95 до 1,05 частоты свободных колебаний генератора изменение напряжения смещения линейно зависит от частоты входного сигнала. Наклон этой зависимости составляет 20 мВ на каждый 1% отклонения частоты (т.е. 20 мВ/f0).

На рисунке 11 показана временная зависимость между выходом контакта 2 и выходом контакта 8 при использовании микросхемы 567 в качестве тонального переключателя. Временная зависимость показана для двух полос пропускания (14% и 7%).

Контакт 1 выдает выходной сигнал квадратурного фазового детектора микросхемы 567. Когда тон зафиксирован, среднее напряжение на контакте 1 является функцией амплитуды входного сигнала в полосе частот схемы, как показано на передаточной функции на рисунке 12. Когда среднее напряжение на контакте 1 опускается ниже порогового значения 3,8 В, внутренний выходной транзистор с коллектором на контакте 8 включается.

Определение полосы пропускания.

При использовании микросхемы 567 в качестве тонального переключателя ее полоса пропускания (в процентах от центральной частоты) имеет максимальное значение приблизительно 14%. Это значение пропорционально напряжению сигнала в полосе частот от 25 до 250 мВ среднеквадратичного значения. Однако при изменении напряжения сигнала от 200 до 300 мВ полоса пропускания не изменяется. Кроме того, ширина полосы пропускания обратно пропорциональна произведению центральной частоты f0 и емкости конденсатора C2. Фактическая ширина полосы пропускания составляет:

BW = 1070.

Единица измерения BW — процент (%) от центральной частоты, при Vi 200 мВ среднеквадратичного значения. Где Vi измеряется в В среднеквадратичного значения, а C2 — в мкФ.

Значение C2 выбирается методом проб и ошибок. Первоначально значение C2 может быть выбрано вдвое больше значения C1. Затем значение C2 может быть увеличено для уменьшения ширины полосы пропускания, или уменьшено для увеличения ширины полосы пропускания.

Определение симметрии полосы пропускания.

Так называемая симметрия обнаружения — это измерение степени симметрии между полосой пропускания и центральной частотой. Определение симметрии выглядит следующим образом:

(fmax + fmin - 2fo) / 2f.


В этом случае fmax и fmin — частоты, соответствующие двум краям детектируемой полосы частот.

Если у переключателя тембра центральная частота составляет 100 кГц, а полоса пропускания — 10 кГц, то частоты на границах полосы симметричны и равны 95 кГц и 105 кГц, следовательно, его симметрия равна 0%. Однако, если полоса достаточно асимметрична, с частотами на границах 100 кГц и 110 кГц, значение симметрии увеличивается до 5%.

При необходимости к выводу 2 микросхемы 567 можно добавить напряжение смещения с помощью подстроечного потенциометра R2 и резистора R4 47 кОм, чтобы уменьшить значение симметрии до 0, как показано на рисунке 13. Перемещение среднего скользящего контакта потенциометра вверх уменьшит центральную частоту, а перемещение его вниз увеличит центральную частоту. Кремниевые диоды D1 и D2 используются для температурной компенсации.

На основе типовой схемы, показанной на рисунке 13, легко разработать практичный переключатель тембра. Значения элементов управления частотой — резистора R1 и конденсатора C1 — можно выбрать с помощью номограммы на рисунке 6. Емкость конденсатора C2 можно определить экспериментально на основе вышеизложенного. Первоначально можно использовать конденсатор с емкостью, вдвое превышающей емкость C1, а затем при необходимости его значение можно отрегулировать для получения требуемой полосы пропускания сигнала. Если требуется строгая симметрия полосы частот, можно добавить этап регулировки симметрии, как показано на рисунке 13.

Наконец, увеличьте значение C3 вдвое по сравнению с C2. И проверьте реакцию этой схемы. Если C3 слишком мало, выходной сигнал на выводе 8 может пульсировать во время переключения. Если C3 выбран правильно, вся схема завершена.

К одному аудиовходу можно подключить любое количество из 567 тональных переключателей, образуя многотональную коммутационную сеть любого желаемого размера. На рисунках 14 и 15 представлены две практические двухступенчатые коммутационные сети.

Схема на рисунке 14 функционирует как двухтональный декодер. При наличии любого из двух входных сигналов может быть активирован выходной сигнал. На рисунке два тональных переключателя активируются источником сигнала, а их выходы обрабатываются интегральной микросхемой CD4001B CMOS.

На рисунке 15 показаны два тональных переключателя IC1, соединенных параллельно, которые функционируют как один тональный переключатель с относительной полосой пропускания 24%. В этой схеме рабочая частота тонального переключателя IC1 рассчитана таким образом, чтобы быть в 1,12 раза выше рабочей частоты тонального переключателя IC2. Следовательно, их полосы переключения перекрываются.

Статья и сопровождающие её изображения предназначены исключительно для обучения инженеров.


[ На главную ] [ В раздел ]