Настройка кварцевых фильтров


Ф.Шарапов, RA4PC г.Лениногорск

В радиолюбительской литературе [1, 2, 3] приводилось несколько методик по настройке кварцевых фильтров. Все они примерно одинаковы и сводятся к предварительному макетированию с целью измерения параметров кварцев и довольно большому объему громоздких математических вычислений. Тем не менее, после монтажа, получаемая амплитуно-частотная характеристика (АЧХ) фильтра, как правило, весьма далека от желаемой. Очевидно, сказывается разброс параметров элементов фильтра и трудно учитываемых монтажных емкостей. В результате приходится затрачивать много времени на коррекцию АЧХ подбором емкостей фильтра и согласующих резисторов.

Исходя из вышеизложенного, возникла идея отказаться от расчетов вообще. Поскольку, их результаты несовершенны и вместо макетирования ограничиться проверкой работоспособности, собственно, кварцевых резонаторов (для этого достаточно простого генератора на одном транзисторе и осциллографа), а настройку основных параметров фильтра производить, используя конденсаторы переменной емкости (КПБ).

kv-f-11-1.gif
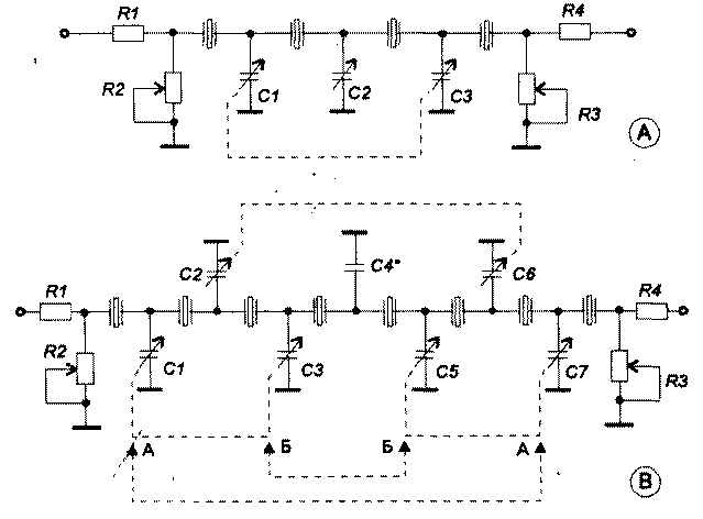
Рис.1 Кварцевые фильтры с "параллельными" емкостями

Стрелками ААи ББ показан второй вариант включения КПЕ. Резисторы R1, R4 (0 ... 300 Ом) устанавливаются при наличии больших выбросов на АЧХ. Конденсатор С4* подбирается в пределах от 0 до 30 пФ.

С целью минимизации числа конденсаторов, были выбраны схемы фильтров, содержащие только параллельные емкости, рис.1. Поскольку фильтры симметричны (относительно их входа-выхода), оказалось возможным использовать сдвоенные КПЕ от радиовещательных приемников емкостью 12 - 495 пФ. Кроме этого, понадобится еще один, заранее проградуированный в пФ, односекционный переменный конденсатор.

Настройка фильтра сводится к следующему.

Для настройки может понадобиться прибор для измерения амплитудно-частотных харакеристик Х1-38 или ему подобный. Я же использую осциллограф и самодельную приставку (см. ниже).

Первоначально все конденсаторы устанавливаются в положение, соответствующее емкости 30 ... 50 пФ. Контролируя АЧХ фильтра на экране прибора, вращением конденсаторов в небольших пределах, добиваемся требуемой полосы пропускания. Затем, подстройкой переменных резисторов (использовать только безиндукционные, например, СП4-1) на входе и выходе фильтра, стараемся выровнять вершину АЧХ. Приведенные выше операции, повторяются несколько раз до получения желаемой АЧХ.

Далее, вместо каждой отдельной секции КПЕ, припаиваем заранее проградуированный конденсатор, с помощью которого стараемся оптимизировать АЧХ фильтра. По его шкале определяем емкость постоянного конденсатора и производим замену. Таким образом, все секции КПЕ, поочередно, заменяются конденсаторами постоянной емкости. Точно также поступаем с переменными резисторами, которые впоследствии заменим на постоянные.

Окончательная "доводка" фильтра производится непосредственно по месту, например, в трансивере. После установки фильтра в трансивер возможно потребуется коррекция номиналов этих резисторов, при этом, для оптимального согласования фильтра с выходом смесителя и входом УПЧ, ГКЧ и осциллограф необходимо подключать согласно схемы, приведенной на рис.2.

kv-f-11-2.gif
Рис.2 Подключение кварцевого фильтра для окончательной настройки

По описанной методике было изготовлено несколько фильтров. Хочется отметить следующее. Настройка трех или четырех кристальных фильтров при некотором навыке занимает не более часа, однако с 8-ми кристальными фильтрами затраты времени гораздо выше. При этом, попытки предварительной настройки сначала двух отдельных 4-х кристальных фильтров, а затем их состыковка - оказались бесплодны. Малейший разброс их параметров (а это всегда имеет место) приводит к искажению результирующей АЧХ. Интересно также отметить, что теоретически равные емкости (например, С1=СЗ, на рис. 1а; С1=С7; СЗ=С5, на рис.1б) после настройки градуированным КПЕ по оптимальной АЧХ имели заметный разброс.

На мой взгляд, достоинством этой методики, является ее наглядность. На экране прибора хорошо видно каким образом меняется АЧХ фильтра в зависимости от изменения емкости каждого конденсатора. Например, выяснилось, что в отдельных случаях вполне достаточно поменять емкость одного конденсатора (с помощью реле) с тем, чтобы изменить полосу пропускания фильтра без особого ухудшения ее прямоугольности.

Как уже отмечалось выше, для настройки фильтра используется осциллограф С1-77 и переделанная приставка для измерения АЧХ [4].

Почему именно С1-77? Дело в том, что на его боковой стенке имеется разъем, на котором присутствует пилообразное напряжение генератора развертки. Это позволяет упростить саму приставку и исключить из ее схемы генератор пилообразного напряжения (ГПН). Поэтому, отпадает необходимость в дополнительной синхронизации и становится возможным наблюдение стабильной АЧХ при различных длительностях развертки. Очевидно, что можно приспособить и осциллографы других типов, может быть после небольшой доработки.

Поскольку, упрощенная приставка используется только при работе с кварцевыми фильтрами вблизи частоты 8 МГц, то все остальные поддиапазоны из нее были исключены.

Также, в используемой приставке, потребуется немного увеличить выходное напряжение. Для этого достаточно переделать выходной каскад в резонансный. Он должен настраиваться в резонанс каждый раз после того, как к его выходу будет подключаться новый фильтр.

Схема доработанной приставки приводится на рис.3. Из-за вносимых "паразитных" емкостей все соединения между исследуемым фильтром и приставкой следует осуществлять короткими проводниками, длиной не более 10 см.

kv-f-11-3.gif
Рис.3 Приставка к осциллографу для настройки кварцевых фильтров

Литература.
1. В.Жалнераускас. Серия статей «Кварцевые фильтры» Журнал «Радио» № 1, 2, 6 1982 г., № 5, 7 1983 г.
2. С.Бунин, Л.Яйленко «Справочник коротковолновика» изд. «Техника» 1984 г.
3. В.Дроздов «Коротковолновые трансиверы» изд. «Радио и связь» 1988 г.
4. Журнал «Радио» №5 1993 г. «Генератор качающейся частоты»


Радио-Дизайн N 11 c.66-69.