АНТЕННЫЙ БЛОК ДИАПАЗОНА 2 М


Игорь НЕЧАЕВ (UA3WIA)

Предлагаемый антенный блок предназначен для компенсации потерь в кабеле снижения. Он состоит из двух усилителей: один - для приемника, другой - для передатчика.

Потери в кабеле снижения на диапазоне 2 м могут достигать нескольких децибел, особенно, если используется тонкий кабель, а его длина достигает нескольких десятков метров. Эти потери способны значительно снизить дальность уверенной радиосвязи, так как при потерях 6 дБ до антенны доходит только четверть мощности передатчика, уровень сигнала при приеме уменьшается вдвое!

Решить эти проблемы без замены кабеля на более дорогой и имеющий меньшие потери можно путем установки вблизи антенны специального антенного блока (АБ). Он представляет собой совокупность антенного усилителя (АУ), работающего на прием, и усилителя мощности (УМ), работающего на передачу. Блок позволяет намного повысить чувствительность системы антенна-трансивер при больших потерях в кабеле снижения и более эффективно использовать разрешенную выходную мощность, так как она поступает непосредственно в антенну.

АБ целесообразно применять с трансиверами с выходной мощностью 0,5...2 Вт и чувствительностью 0,5 мкВ и хуже, например, совместно с переносными радиостанциями. Многие из них имеют выходную мощность не более 1...2 Вт. Те же, мощность которых достигает 5 Вт, требуют применения сетевого блока питания и при длительной работе сильно разогреваются, поэтому их лучше использовать в режиме пониженной мощности. Отличительной особенностью предлагаемого АБ является то, что в нем предусмотрены независимое включение и отключение АУ или УМ, а питание и управление осуществляются по кабелю снижения от отдельного блока.

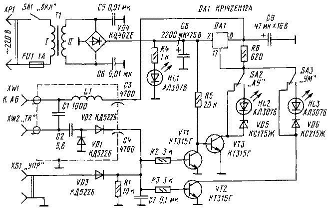
На рис. 1 изображена схема АБ, который содержит АУ на транзисторе VT2 и УМ на VT3, а также стабилизатор напряжения на микросхеме DA1 и переключатель режимов на транзисторе VT1. Если питающее напряжение по кабелю снижения не поступает, то все реле обесточены и гнездо XW1 через нормально замкнутые контакты К1.1, К2.1, К3.1, К4.1 соединено с гнездом XW2. В этом режиме АБ не работает и трансивер соединен непосредственно с антенной.

pr2o1-1.gif
Рис.1

АУ собран на арсенидгаллиевом полевом транзисторе VT2, что позволяет получить высокую чувствительность и большой динамический диапазон.

На входе установлена система из двух связанных контуров L8C18 и L9C23, которые обеспечивают требуемую полосу пропускания по приему. Диоды VD5 и VD6 защищают транзистор от воздействия передатчика или других мощных сигналов. Режим транзистора по постоянному току задает резистор R5. Подбирая его, можно изменять ток стока в пределах от 20 до 100 мА, при этом будет изменяться и коэффициент усиления от 10... 12 дБ до 20...22 дБ. Транзистор нагружен на ФНЧ C7L3C8, с выхода которого сигнал поступает в кабель снижения. Диоды VD3 и VD4 защищают транзистор со стороны выхода усилителя. Конденсатор С28 нужен для того, чтобы исключить замыкание питающего напряжения на общий провод, если применяется короткозамкнутый излучатель.

Для включения АУ необходимо подать на центральную жилу кабеля питающее напряжение в пределах 9...12 В. Оно через дроссель L2 поступит на стабилизатор напряжения DA1, а с его выхода - на усилитель на транзисторе VT2 и обмотки реле К2 и КЗ. Эти реле подключат усилитель к антенне и кабелю снижения.

При подаче питающего напряжения в пределах 15...18 В стабилитрон VD1 откроется, следовательно, откроется и транзистор VT1. Сработают реле К1 и К4. Своими контактами они отключат питание от микросхемы DA1 и, следовательно, от АУ. Через дроссель L4 питающее напряжение поступит на УМ. Он собран по традиционной схеме с входным С10С11L5 и выходным L10C24 согласующими контурами и ФНЧ L11C26L12C27L13. Небольшое напряжение смещения на базу транзистора поступает через резистор R7. Выходная мощность УМ составляет 5 Вт при входной от 0,3 Вт и более.

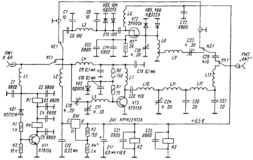
Таким образом, управление режимами работы АБ происходит за счет изменения значений питающего напряжения. Обеспечивает это блок питания (рис. 2), который размещают рядом с трансивером. Он содержит понижающии трансформатор Т1, выпрямитель (диодный мост VD4), фильтр (конденсатор С8), управляемый стабилизатор напряжения на микросхеме DA1 и узел управления на транзисторах VT1-VT3. Управление постоянным напряжением может быть внешним (через гнездо XS1) либо за счет проходящего ВЧ сигнала. Трансивер подключают к гнезду XW2, а кабель снижения - к WV1.

pr2o1-2.gif
Рис. 2

Напряжение вторичной обмотки после выпрямления стабилизируется стабилизатором напряжения DA1 и через проходной конденсатор СЗ и дроссель L1 поступает на ВЧ гнездо XW1 и далее по кабелю снижения на АБ.

Рассмотрим работу блока питания в режиме приема. В таком состоянии транзисторы VT1 и VT2 будут закрыты, а VT3 - открыт. Если АУ и УМ отключены (тумблеры SA2 и SA3 в левом по схеме положении), то на выходе микросхемы DA1 будет напряжение около 1,2В. Этого напряжения недостаточно для срабатывания реле в АБ. При включении АУ тумблером SA2 режим микросхемы изменится из-за включенных светодиода HL1 и стабилитрона VD5, поэтому напряжение на выходе возрастает примерно до 10...11 В. Это приведет к тому, что на реле К2 и КЗ АБ поступит питающее напряжение, они сработают и подключат к антенне АУ. В этом случае даже при включенном тумблере SA3 ничего не изменится, так как транзистор VT2 закрыт.

При переходе трансивера в режим передачи часть ВЧ сигнала пройдет через конденсатор С2 и поступит на детектор на диодах VD1, VD2. Транзисторы VT1 и VT2 откроются. Если АУ и УМ отключены (тумблеры SA2 и SA3 в показанном на схеме положении), сигнал передатчика поступит через АБ непосредственно в антенну. Когда включен только АУ, то сразу после появления сигнала передатчика выходное напряжение уменьшится до 1,2 В - АУ отключится и сигнал передатчика пройдет в антенну. По окончании передачи АУ включится снова, так как VT2 опять закроется.

Допустим, будет включен только УМ. Тогда при появлении сигнала передатчика транзистор VT2 откроется, a VT3 закроется и выходное напряжение блока питания увеличится до 17...18 В. В АБ включится УМ. При одновременном включении АУ и УМ в момент передачи напряжение будет 17... 18 В и включится УМ, а по ее окончании напряжение уменьшится до 11... 12 В и включится АУ.

Большинство деталей АБ (см. рис. 1) смонтированы на печатной плате из двустороннего фольгированного стеклотекстолита, эскиз которой показан на рис. 3. Вторая сторона оставлена металлизированной и соединена по контуру с металлизацией первой стороны. Плата размещена в металлическом корпусе с проводящей поверхностью, который также играет роль теплоотвода для транзистора VT3 и микросхемы DA1. Для установки этого транзистора на корпус в плате сделано отверстие. Плату надо прикрепить к корпусу по ее контуру в нескольких местах. ВЧ гнезда XW1 и XW2 устанавливают в стенках корпуса. Детали, которые не показаны на рис. 3, установлены методом навесного монтажа на выводах реле. Все ВЧ соединения надо делать минимальной длины, а при соединениях более 2...3 см применять тонкий ВЧ кабель.

В АБ можно применить следующие детали: транзистор VT1 серий КТ815 или КТ817 с любыми буквенными индексами, КТ603А, КТ603Б, серии КТ608 с индексами А или Б, VT3 - КТ922А, КТ934Г. Подстроечные конденсаторы - КТ4-25, С17 - К53, остальные постоянные конденсаторы - К10-17 или КД, КМ с выводами минимальной длины. Дроссели L1, 12, L4, L6, L7 намотаны на оправке Диаметром 4,5 мм и содержат по 12-15 витков провода ПЭВ-2 0,4...0,5. Остальные катушки намотаны проводом ПЭВ-2 0,7...0,8 и содержат L3, L5, L8, L12 - 4 витка (у L8 отвод от 0,5-го витка), L10, L11, L13 - 3 витка, L9 - 6 витков. В устройстве применены реле РЭК-43 с напряжением срабатывания 5 В и сопротивлением обмотки 125 Ом.

В блоке питания (см. рис. 2) можно применить транзисторы КТ312Б серии КТ3102 с буквенными индексами А, Б, В, Д, а также КТ3117А. Диодный мост VD4 - серии КЦ402 или КЦ405 с любыми буквенными индексами, светодиоды любые из серии АЛ307, АЛ341. Полярные конденсаторы К50-6, К50-24, неполярные - К10-17, КД. Проходные конденсаторы СЗ и С4 - К10П-4, К10-51 емкостью 4700 пф и более, можно также использовать проходные фильтры Б14, Б23. Дроссель L1 намотан проводом ПЭВ-2 0,7 и содержит 12-15 витков на оправке диаметром 5 мм. Трансформатор Т1 должен обеспечивать переменное напряжение на вторичной обмотке около 17 В при токе до 1 А. Микросхему DA1 необходимо разместить на теплоотводе.

Элементы С1, С2, VD1, VD2, L1 размещены в металлическом корпусе методом навесного монтажа. В этом корпусе установлены высокочастотные гнезда XW1, XW2 и проходные конденсаторы СЗ, С4. После настройки корпус надо закрыть крышкой и запаять.

Налаживание начинают с блока питания. К разъему XW2 подключают трансивер, а к XW1 - антенну или ее эквивалент. Цепь между конденсатором СЗ и микросхемой DA1 надо временно разорвать. После этого проверяют работу в различных режимах, включая трансивер на передачу.

Налаживание АБ начинают с режима "АУ", при этом подбором резистора R4 устанавливают напряжение на выходе стабилизатора DA1 в пределах 6...6,5 В. На истоке транзистора VT2 должно быть постоянное напряжение 1,5...2 В. Ток стока изменяют подбором резистора R5, при этом изменяется коэффициент усиления. После этого конденсаторами С18 и С23 настраивают систему входных контуров на центральную частоту диапазона 2 м. Изменяя место подключения катушки L9 к LB, можно изменять полосу пропускания.

В режиме "УМ" настраивают каскад на транзисторе VT3 по максимуму выходной мощности с помощью конденсаторов СЮ, С11, С24. Затем надо убедиться в том, что контуры настроены в резонанс. Для этого к катушкам L5 и L10 надо поочередно поднести ферритовый и латунный сердечники, при этом выходная мощность должна уменьшаться. Если это не так, придется изменить число витков этих катушек.


Радио 2/2001, c.64-65.