ПЕРЕДЕЛКА Р-326М В ТРАНСИВЕР


Н.ПОПОВ (UA4APQ), 403440, Волгоградская обл., г.Серафимович, ул.Республиканская, 4 - 2.

Структурная схема переделки приемника Р-326М для работы в трансиверном режиме показана на рис. 1. В результате анализа данных РПУ оказалось возможным отказаться от применения УПЧ-2 в тракте формирования SSB сигнала, но для совмещения полос пропускания необходимо применять однотипные ЭМФ в трактах приема и передачи.

rst-326-1.gif

Сигнал 500 кГц берется либо с плавного генератора 500 кГц (в случае применения ЭМФ-500С), либо с кварцевого генератора 500 кГц (ЭМФ-500Н; ЭМФ-500В). Во втором варианте показания частотомера совпадают с частотой подавленной несущей, но приходится применять 4 ЭМФ (два - в приемной части, два - в формирователе). Возможно применение только одного (двух) ЭМФ с коммутацией из режима RX в режим ТХ при помощи двух дополнительных реле. Все реле размещаются в отсеках непосредственно возле точек коммутации. Межблочные соединения выполнены тонким кабелем МГФТЭ. При налаживании необходимо строго контролировать напряжение DSB, подаваемое на СМ1, ввиду малого напряжения кварцевого гетеродина (210; 3300 кГц). Усилитель ТХ на КТ610 и двухтактный эмиттерный повторитель КТ904, КТ914 выполнены по типовым схемам.

Необходимые переделки согласующего каскада (У8) и первого смесителя (ИР2.206.004) показаны на рис.2. Соединения, показанные пунктиром, следует удалить.

rst-326-2.gif

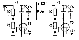
Введение регулировки усиления ВЧ показано на рис.3. Из усилителей У1, У2 удаляются резисторы R2, а на затворы Т2 подается управляющее напряжение через контакты К2.1.

rst-326-3.gif
Puc.3

Для переделки РПУ советую внимательно изучить техническое описание и схемы радиоприемника.

В заключение выражаю огромную благодарность Андрею (RU4AA) за помощь в разработке и налаживании данной конструкции.


Радиолюбитель. КВ и УКВ.