Микро-АТС 1/3


Е.ЛЕВИН, г.Новосибирск, pchela@online.sinor.ru

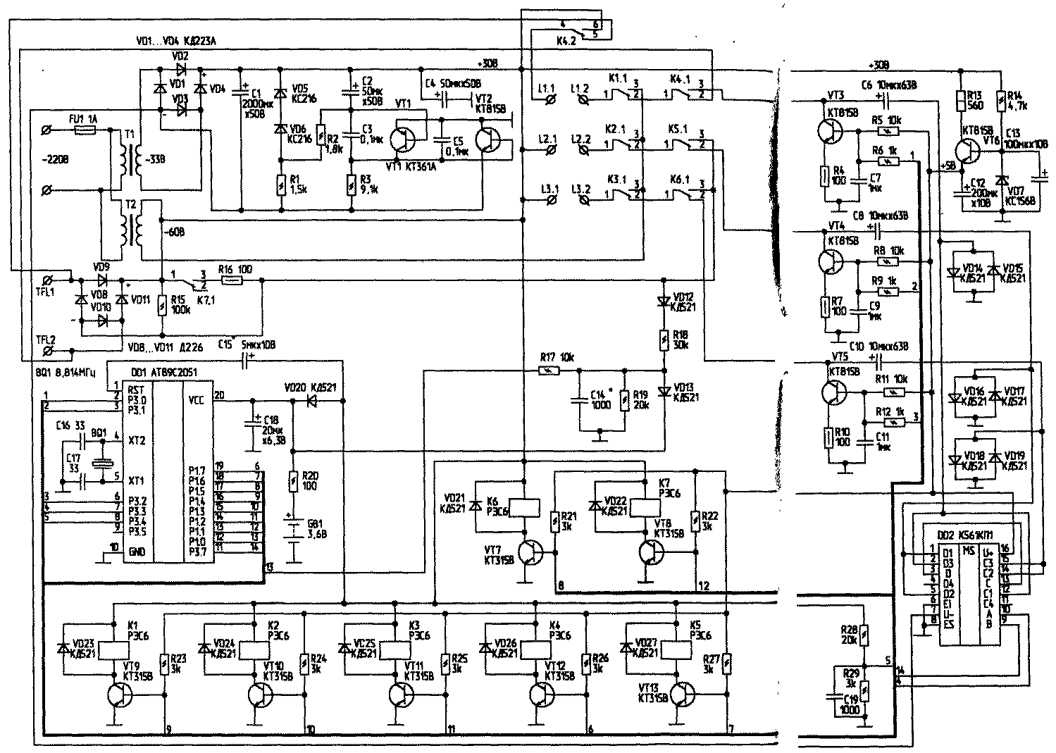
Предлагаемая микро-АТС предназначена для расширения числа пользователей одной абонентской телефонной линии до трех и обеспечивает при этом переадресацию внешнего телефонного звонка между внутренними абонентами микро-АТС. Микро-АТС работает с различными типами телефонных аппаратов (с дисковыми и кнопочными номеронабирателями, как отечественного производства, так и зарубежного), с факсами, модемами и автоответчиками. В качестве коммутационных элементов применяются электромагнитные реле, обеспечивающие более надежную работу по сравнению с полупроводниковыми коммутаторами, обладающими внутренними шумами, что отрицательно сказывается на работе модемов. Эта проблема наиболее актуальна при подключении домашнего персонального компьютера через модем к сети Internet.

Микро-АТС обеспечивает следующие сервисные возможности:

- телефонную связь между внутренними абонентами микро-АТС;

- телефонную связь между внутренним абонентом микро-АТС и абонентом городской телефонной линии;

- режим "автодозвон" при установке связи как с внутренним абонентом микро-АТС, так и при выходе в городскую линию;

- переадресацию звонков городской линии между внутренними абонентами микро-АТС;

- запрет выхода в городскую телефонную линию;

- запрет выхода в междугородную телефонную сеть;

- запрет прохождения звонков из городской линии;

- подключение главного телефонного аппарата к городской телефонной линии и сохранение ранее произведенных установок для микро-АТС при отключении напряжения питающей сети 220В.

Схема микро-АТС состоит из следующих блоков:

- блока микроконтроллера;

- блока коммутации телефонных аппаратов;

- блока датчиков (состояния телефонного аппарата, состояния городской линии, наличия напряжения сети 220 В);

- схемы удержания городской телефонной линии;

- блока питания (источники переменного напряжения 60 В, постоянного +30 В и +5 В, резервного питания микроконтроллера).

Формирование служебных сигналов в микро-АТС осуществляется программно.

Блок микроконтроллера выполнен на базе микросхемы АТ89С2051 фирмы Atmel (DD1) Данный микроконтроллер [1] обладает:

- 15-ю каналами ввода/вывода информации;

- двумя 16-битными таймерами-счетчиками (Т/С0, Т/С1);

- flash-памятью программ объемом 2 Кб;

- тактовой частотой 0.24 МГц,

-допустимым напряжением питания 2,7...6 В.

Конденсаторы С16, С17 и кварцевый резонатор BQ1 предназначены для работы внутреннего тактового генератора микроконтроллера. В качестве конденсаторов С16 и С17 можно применить любые керамические конденсаторы. В схеме микро-АТС можно использовать кварцевый резонатор и с другой частотой, но при этом она не должна отличаться более чем на 0,1 МГц от 8,814 МГц. Конденсатор С18 предназначен для фильтрации и сглаживания пульсаций питающего напряжения микроконтроллера DD1, С15 обеспечивает аппаратный сброс при включении питания. Величина емкости С15 подобрана экспериментально, и обеспечивает надежный сброс микроконтроллера.

Блок коммутации телефонных аппаратов осуществляет соединение внутренних абонентов микро-АТС либо с городской линией, либо с внутренней, либо с формируемым микро-АТС сигналом "Звонок" под действием управляющих сигналов микроконтроллера DD1. В качестве коммутационных элементов К1...К6 используются электромагнитные реле РЭС-6 (пасторт РФО.452.103-01), которые управляются транзисторными ключами (VT7, VT9...VT13, R21, R23...R27). Допустимо применение транзисторов КТ315 с буквенным обозначением В, Г, Д, Е.

В схеме микро-АТС используются резисторы типа ОМЛТ с допустимым отклонением ±10%. Диоды (VD21, VD23...VD27) предназначены для защиты транзисторов (VT7, VT9...VT13) от противоЭДС, возникающей в катушках электромагнитных реле К1...К6 при выключении. Допустимо применение диодов КД521 с буквенным обозначением А, Б, В.

Работа коммутационного элемента осуществляется следующим образом. При формировании на выводе микроконтроллера DD1 логической "1° открывается соответствующий транзистор (VT7, VT9...VT13), и срабатывает электромагнитное реле (К1...К6).

Для обеспечения коммутации телефонного аппарата внутреннего абонента микро-АТС с городской или с внутренней линией, а также с формируемым сигналом "Звонок", реле К1...К3 включены последовательно с реле К4...К6. При этом реле К1...К3 осуществляют коммутацию абонента с сигналом "Звонок" или со второй фуппой реле К4...К6, которые, в свою очередь, коммутируют абонента с внутренней или внешней телефонной линией. Отличие в подключении реле К4 обусловлено необходимостью создать аварийный режим работы микро-АТС, позволяющий при отключении напряжения питающей сети, а соответственно, и при выключении всех реле соединить телефонный аппарат "абонента Г с городской телефонной линией. Подключение микро-АТС к городской телефонной линии (TLF1, TLF2) осуществляется через диодный мост (VD8...VD11). Телефонные аппараты ТА1...ТА3 подключаются между клеммами L1.1-L1.2...L3.1-L3.2 соответственно.

tlf-11o-1.gif

Схема удержания внешней линии предназначена для формирования состояния городской линии, соответствующего режиму подключения телефонного аппарата. Потребность в данном состоянии возникает при работе микро-АТС в режиме переадресации. При переадресации абонента городской линии между внутренними абонентами микро-АТС возникает ситуация, при которой абонент микро-АТС, производящий переадресацию, уже отключен от городской линии, а абонент, к которому производится переадресация, еще не подключился к ней. Для устранения сброса городской АТС на время переадресации формируется удержание телефонной линии. Оно осуществляется подключением к городской линии резистора R16 с сопротивлением, равным эквивалентному сопротивлению телефонного аппарата (300...600 Ом). Подключение резистора R16 к городской линии производится с помощью реле К7, управляемого транзисторным ключом (VT8, R22).

Формирование связи между внутренними абонентами микро-АТС осуществляется при помощи аналогового коммутатора на микросхеме DD2. Данный коммутатор позволяет одновременно соединять двоих из трех внутренних абонентов, при этом третий внутренний абонент может соединяться с городской линией. Разделительные конденсаторы (С6, С8, С10) предназначены для выделения переменного звукового сигнала, который подается на коммутатор DD1.

Для устранения помех во внутренней линии микро-АТС, вызываемых коммутационными процессами в схеме (поднятием трубки телефонного аппарата и набором номера другим абонентом), используется встречно-параллельное включение диодов (VD14...VD19). Они ограничивают величину переменного звукового сигнала и сигнала помехи на уровне ±Unp диода. При этом величина звукового сигнала, формируемого телефонным аппаратом, меньше Unp диода. В этих цепочках допустимо применение диодов КД521 с буквенным обозначением А, Б, В, Г. Д.

Блок датчиков включает:

- датчики состояния телефонных ап-паратов внутренних абонентов (VT3...VT5, R4...R12, С7, С9, С11);

- датчик состояния городской линии (VD12, VD13, R15, R17...R19, С14);

- датчик наличия напряжения сети 220 В (R28, R29, С19).

Схема датчика состояния телефонного аппарата одновременно выполняет следующие функции:

- контроль положения трубки телефонного аппарата (трубка поднята или нет);

- определение набираемых на номеронабирателе телефонного аппарата цифр);

- питание телефонного аппарата постоянным током (25 мА);

- формирование сигналов микро-АТС "Ответ станции", "Занято" и "Вызов".

При поднятии трубки какого-либо телефонного аппарата замыкается электрическая цепь: шина питания "+30 В" - телефонный аппарат - реле (К1, К2. КЗ) - реле (К4, К5, К6)

- датчик состояния телефонного аппарата (VT3 - R4, VT4 - R7, VT5

- R10) - общая шина схемы. В результате в коллекторной цепи соответствующего транзистора (VT3...VT5) протекает электрический ток. Транзистор работает в активном режиме. Величина тока коллекторной цепи задается равной 25 мА с помощью резистора (R4, R7, R10). При этом ток базы транзистора значительно меньше тока базы насыщения. Резисторы R5, R8, R11 подключены к источнику питания "+5 В", а резисторы (R6, R9, R12) - к соответствующему выводу микроконтроллера (РЗ.О, Р3.1, Р3.2). Величина сопротивлений резисторов подобрана таким образом, что при протекании в коллекторной цепи транзистора (VT3...VT5) тока 25 мА, когда трубка телефонного аппарата поднята, потенциал на выводе микроконтроллера (РЗ.О, Р3.1, Р3.2) соответствует уровню логической "1", а при отсутствии тока в коллекторной цепи транзистора (трубка телефонного аппарата положена) потенциал на выводе микроконтроллера соответствует уровню логического "О". При расчете величины сопротивления резисторов (R5, R6, R8, R9, R11, R12) учитывалась внутренняя структура микроконтроллера DD1. В этих цепях (VT3...VT5) допустимо применение транзисторов КТ815 с любым буквенным обозначением.

Формирование информационных сигналов "Ответ станции", "Занято" и "Вызов" осуществляется посредством изменения состояния на выводах РЗ.О, Р3.1, Р3.2 микроконтроллера DD1 с логического "О" на логическую "1" и обратно, с заданными длительностями импульса и паузы, формируемыми программно.

Конденсаторы С7, С9, С11 вместе с резисторами R6, R9, R12, подключенными к выводам Р3.0, Р3.1, Р3.2 микроконтроллера DD1, образуют делитель напряжения для переменного звукового сигнала. Они уменьшают величину этого сигнала до уровня, благоприятного для восприятия ухом.

Датчик состояния городской линии (VD12,VD13,R15,R17...R19, С14) предназначен для определения микроконтроллером DD1 состояния городской линии (занята или свободна), наличия в ней сигнала вызова ("Звонок"), а также для определения набираемых цифр внутренним абонентом микро-АТС при подключении городской линии, с целью предотвращения выхода в междугородную телефонную сеть при установленном запрете.

Если городская телефонная линия свободна, в ней формируется постоянное напряжение 60 В."+" диодного моста VD8...VD11 подключен к шине питания +30 В. Соответственно потенциал на "-" моста составляет 30 В относительно общей шины схемы микро-АТС. При этом к диоду VD12 приложено отрицательное запирающее напряжение, он находится в закрытом состоянии, и ток в датчике отсутствует. Соответственно с делителя напряжения на резисторах R15, R18 и R19 микроконтроллер DD1 считывает уровень логического "О".

Если городская линия занята одним из внутренних абонентов микро-АТС, то напряжение в ней составляет 5...15 В (определяется типом телефонного аппарата), и, соответственно, потенциал "-" диодного моста (VD8...VD11) равен 15. .25 В относительно общей шины схемы. При этом диод VD12 находится в открытом состоянии. Величина сопротивлений резисторов R15, R18 и R19 подобрана таким образом, что делитель формирует напряжение, соответствующее уровню логической "1". Применение резистора R15 в делителе напряжения обусловлено необходимостью создания тока утечки от шины +30 В к анодам диодов VD8, VD10 для поддержания их в открытом состоянии. При этом величина потенциала на "-" диодного моста управляет только состоянием диода VD12, открывая его, и не влияет на состояние диодов VD8, VD10. Резистор R18 предназначен для ограничения величины тока, протекающего через защитный диод VD13, a R17 - для согласования входа Р1.0 DD1 сдатчиком по нагрузочной способности (вывод Р1.0 АТ89С2051 не обладает "подтягивающим" резистором). Конденсатор С14 обеспечивает сглаживание скачков напряжения с датчика при переходных процессах в схеме (изменение состояния городской линии, а соответственно, и изменение потенциала на датчике). Величина емкости С14 подобрана экспериментально, исходя из условия обеспечения надежной работы микро-АТС с факсами, модемами и автоответчиками. Диод VD13 защищает микроконтроллер DD1 от превышения напряжения с датчика.

Датчик наличия питающего напряжения сети (220 В) выполнен в виде делителя напряжения, состоящего из резисторов R28 и R29. Конденсатор С19 сглаживает скачки напряжения при переходных процессах в схеме. Использование данного датчика в схеме микро-АТС необходимо для перевода микроконтроллера DD1 в экономичный режим микропотребления при пропадании напряжения сети. В этом режиме осуществляется питание только D01 от источника резервного питания (аккумулятора GB1, напряжением 3,6 В) для сохранения ранее установленных режимов работы микро-АТС.

В схеме микро-АТС используются два напряжения питания - +30 В и +5 В. Источник постоянного напряжения +30 В состоит из трансформатора Т1, диодного моста VD1.. VD4, конденсатора фильтра С1 и стабилизатора напряжения VT1, VT2, VD5, VD6, R1...R3, С2...С5. Стабилитроны VD5, VD6 и резистор R1 образуют параметрический стабилизатор напряжения. Интегрирующая цепь R2, С2 сглаживает пульсации напряжения на базе эмиттерного повторителя, выполненного на составном транзисторе VT1, VT2. Транзистор VT2 необходимо устанавливать на радиатор. Организация независимой точки "О" необходима для формирования отрицательного напряжения питания (3...15 В) аналогового коммутатора DD2. При этом точкой "О" (общей шиной схемы) является коллектор транзистора VT2, что позволяет в качестве радиатора для него использовать корпус микро-АТС. Резистор R3 предназначен для формирования тока смещения транзистора VT2, а конденсаторы СЗ и С5 - для увеличения устойчивости системы регулирования. Конденсатор С4 сглаживает пульсации напряжения на выходе стабилизатора. Трансформатор Т1 должен обеспечивать на вторичных обмотках переменное напряжение величиной 33 В и ток не менее 0,9 А. В стабилизаторе можно применить транзисторы КТ361 (VT1) и КТ815 (VT2) с любым буквенным обозначением. Монтаж конденсаторов СЗ, С5 необходимо производить по возможности ближе к транзисторам VT1 и VT2 для предотвращения помех от источника в телефонной линии микро-АТС.

Схема источника постоянного напряжения "+5 В" представляет собой параметрический стабилизатор напряжения (VT6, VD7. R13, R14, С12, С13). В качестве входного в нем используется напряжение источника +30 В.

Формирование сигнала "Звонок" для внутренних абонентов микро-АТС осуществляется подключением с помощью реле К1...КЗ к телефонным аппаратам вторичной обмотки трансформатора Т2, напряжение на которой - 60 В (размах - 120 В). В качестве данного трансформатора в схеме микро-АТС применяется трансформатор Т10-220-50.

Схема микро-АТС после правильной сборки не требует дополнительной настройки. Было собрано 6 экземпляров микро-АТС, надежно работающих с телефонными аппаратами как импортного, так и отечественного производства, факсами, модемами и автоответчиками, что свидетельствует о хорошей повторяемости данной схемы.

Программное обеспечение микро-АТС. Управление режимами работы микро-АТС осуществляется посредством набора определенных комбинаций цифр на номеронабирателе телефонного аппарата. Внутренние абоненты имеют номера с 1 до 3, а выход во внешнюю городскую телефонную линию осуществляется набором цифры 9. Установка и снятие запретов производится только с главного телефонного аппарата, подключенного к клеммам L1.1-L1.2 микро-АТС.

Сервисная программа построена по блочному принципу. В ней производится последовательная обработка состояния внутренних абонентов, внешней линии и формирование служебных и управляющих сигналов. Карта прошивки ПЗУ микроконтроллера с рабочей версией программы представлена в таблице. Электронная версия находится по адресу www.qsl.net/eu5r.

tlf-11o-2.gif

Так как в схеме микро-АТС коммутационные элементы выполнены на электромагнитных реле, программно предусмотрены задержки (интервалы времени нечувствительности микроконтроллера к сигналам с датчиков), устраняющие ложные срабатывания от "дребезга" контактов при включении и выключении реле.

Пользование микро-АТС 1. Звонок внутреннему абоненту.

- снимите трубку телефонного аппарата (будет слышен сигнал "Ответ станции");

- наберите номер внутреннего абонента (1...3), в трубке будет сигнал "Вызов";

- дождитесь ответа и начните разговор;

- после разговора положите трубку телефонного аппарата.

В режиме "Автодозвон" наберите номер требуемого внутреннего абонента (1...3), после получения сигнала "Занято" наберите цифру "6". Услышав сигнал "Ответ станции", положите трубку телефонного аппарата и ждите. Когда нужный абонент освободит свой телефонный аппарат, ваш талефон зазвонит.

Особенности режима "Автодозвон":

- снятие трубки телефонного аппарата в процессе этого режима отменяет его;

- на один телефонный аппарат возможен дозвон с нескольких внутренних телефонных аппаратов одновременно. В этом случае при освобождении требуемого абонента звонки будут раздаваться на всех дозванивающихся телефонных аппаратах одновременно, а соединение произойдет с тем абонентом, который первым поднимет трубку телефонного аппарата. При этом остальные дозванивающиеся телефонные аппараты останутся в режиме "автодозвон";

- если при получении звонка не снять трубку в течении 30 с, он прекращается.

Звонок абоненту городской телефонной линии производится набором цифры "9".

Если слышится сигнал "Ответ станции" городской АТС, производите набор городского номера обычным порядком.

С абонентом городской телефонной линии можно соединиться в режиме "Автодозвон" (если городская линия занята). После получения сигнала "Занято" наберите цифру "6". Вы услышите сигнал "Ответ станции". Положите трубку телефонного аппарата и ждите. Когда городская линия освободится, ваш телефон зазвонит.

Переадресация звонков городской линии между внутренними абонентами микро-АТС позволяет перевести разговор с абонентом внешней линии на любой внутренний телефонный аппарат. Для этого наберите номер требуемого внутреннего абонента (1...3). Услышав сигнал "Ответ станции", положите трубку телефонного аппарата. Если на переведенный телефонный звонок не ответят в течении 30 с, он прекратится. При переадресации внешнего абонента к занятому внутреннему переадресация не состоится, и абонент внешней линии останется соединен с прежним внутренним абонентом. Количество переадресаций внешнего абонента между внутренними абонентами не ограничивается.

Дополнительные сервисные возможности микро-АТС.

Все режимы дополнительных сервисных возможностей устанавливаются только с главного телефонного аппарата, имеющего телефонный номер "Г.

Режим "Запрет выхода в городскую линию", позволяет запретить выход во внешнюю линию одному или нескольким абонентам микро-АТС.

Режим задается набором цифр "59" и номера абонента, которому требуется запретить доступ. После набора слышится подтверждающий сигнал. Выключение запрета производится набором цифр "590".

Запрет выхода в междугородную телефонную сеть производится набором "58" и номера внутреннего абонента микро-АТС. Снятие запрета производится набором цифр "580".

Режим "Запрет звонков городской линии" позволяет запретить звонки из внешней линии одному или нескольким абонентам микро-АТС. Включение режима производится набором "57* и номера внутреннего абонента, снятие режима - набором "570".

Литература

1. Гребнев В.В. Однокристальные микроЭВМ семейства АТ89 фирмы Atmel. - СПб.:, 1998, 75 с.


Радиолюбитель 11,12 - 2000 г.