Цифровой одночиповый диктофон


К.Лоренц

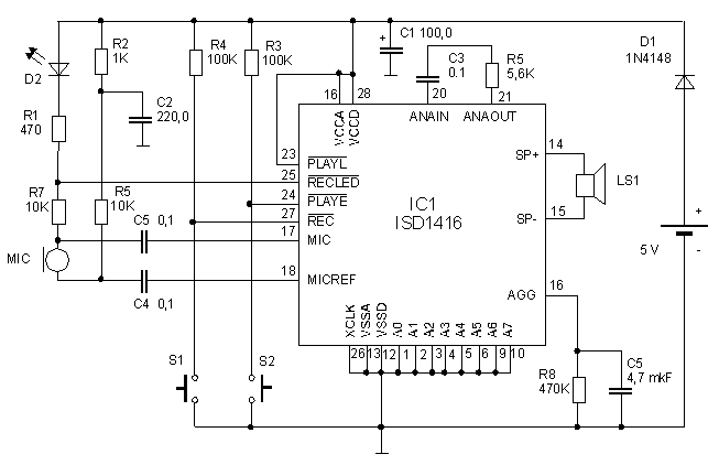
Устройство выполняет запись и воспроизведение звука от электретного микрофона MIC в течение 16 секунд.

cif-x401-1.gif

Он собран на ИМС IC1 ISD1416 Integrated Storage Device (подразделение Winbond, www.winbond.usa.com/ products/), которая содержит встроенный микрофонный предусилитель с АРУ, АЦП (частота дискретизации 8 кГц) и 128К энергонезависимой памяти, каждая ячейка которой способна запоминать 256 уровней (а не два, как в простой бинарной). Имеется также и УМЗЧ. Запись включается кнопкой S1, а воспроизведение -S2. В режиме воспроизведения на средней громкости устройство потребляет 25 мА, а в режиме хранения - всего 90 мкА.


Elector Electronics, N 7, 2001, c.88.