ПРИЕМНИК НАЧИНАЮЩЕГО...


Александр ДМИТРИЕНКО (RA4NR)

Постройка радиоприемника для прослушивания любительских станций была и остается проблемой для начинающих коротковолновиков и наблюдателей. Журнал "Радио" уже предлагал достаточно простой вариант KB приемника на 160 м, выполненного на одной микросхеме. Автор данной статьи описывает доработку и усовершенствование этого приемника.

Очень понравилась работа приемника прямого преобразования В.Т. Полякова, опубликованного в журнале "Радио" [1]. Конструкция легко повторяема и весьма эффективна. Например, в диапазоне 160 м на не слишком длинную антенну в зимнюю ночь были приняты SSB сигналы радиостанций всех радиолюбительских районов России, а телеграфом - и стран Европы: ОН, DL, LZ, SM и др. Приемник оказался простым в налаживании и потому весьма подходящим в качестве первой конструкции начинающего радиолюбителя-коротковолновика.

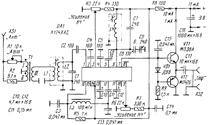
Под впечатлением его хорошей работы была разведена печатная плата и собрано несколько экземпляров на различные диапазоны. Для повышения удобства эксплуатации схема приемника немного усложнена. В основном это коснулось входной цепи, где добавлен плавный аттенюатор R1R2T1, и выходной - собран дополнительный каскад усиления мощности на транзисторах VT1, VT2. В самом приемнике после смесителя улучшена фильтрация сигнала за счет введения П-образного ФНЧ. Реализована также упомянутая автором [1] регулировка усиления по низкой частоте. Полностью схема приведена на рис. 1. Теперь, кроме ручки настройки, в приемнике есть еще три регулятора - "аттенюатор входа", "усиление ВЧ" и "усиление НЧ", с помощью которых общее усиление можно распределить по тракту приемника более рационально в соответствии с конкретной обстановкой в эфире.

pr-5o1-1.gif
Pus.1

Применение плавного аттенюатора на входе [2] позволяет легко совмещать динамический диапазон приемника с уровнями сигналов, обеспечивая желаемую связь с любой антенной без подбора витков катушки связи L1. Аттенюатор выполнен по мостовой схеме - минимальный сигнал на вход приемника поступает при равенстве сопротивлений R1 и R2.

Катушка L1 намотана поверх L2 в нижней секции стандартного четырех-секционного каркаса и содержит 10 витков провода ПЭЛ 0,1...0,16. Контурные катушки L2 и L4 содержат по 60 витков того же провода. Подробнее конструкция катушек описана в [1]. Трансформатор Т1 намотан на ферритовом кольце диам. 7...16 мм с магнитной проницаемостью 400...2000. Можно использовать и самодельное кольцо из половинки броневого сердечника СБ. Особой разницы при этом в работе аттенюатора не замечено. Наматывают 7...10 витков одновременно тремя слегка скрученными проводами ПЭЛШО 0,12...0,33. После намотки конец первого и начало второго провода соединяют, образуя средний вывод трансформатора.

Широко распространенные низко-омные головные телефоны потребовали подключения их к выходу микросхемы DA1 через двухтактный эмиттерный повторитель [3]. Небольшая асимметрия по напряжению в точке соединения эмиттеров транзисторов никак не сказывается на работе приемника. Подбор транзисторов по коэффициенту передачи тока не производился. Возможна замена германиевых транзисторов на кремниевые, например, КТ3102А и КТ3107А, диод VD1 при этом также заменяется на кремниевый КД503А. Выходной транзисторный каскад достаточно экономичен: его ток покоя - около 1 мА, основным "потребителем" остается сама микросхема - до 10 мА при питании 9 В.

Катушка L3 намотана на кольцевом ферритовом магнитопроводе К 16x8x6 или другом, диаметром 12...20 мм из материала 2000НМ, и содержит 250 витков провода ПЭЛШО или ПЭЛ 0,1...0,15. Точное значение индуктивности некритично. Его можно уточнить, оценив на слух частоту среза ФНЧ. Вместе с конденсаторами СЗ и С13 катушка L3 образует П-образный фильтр нижних частот (ФНЧ), формируя полосу пропускания в пределах 3 кГц. В качестве КПЕ применен малогабаритный конденсатор от транзисторных приемников с твердым диэлектриком и максимальной емкостью 220...260 пФ. Емкость "растягивающего" конденсатора С8 находится в пределах 100... 150 пФ. При указанных на схеме номиналах С8 и С9 диапазон 1810...2000 кГц перекрывается полностью, с небольшим запасом по краям. Чертеж печатной платы показан на рис. 2. Резисторы R4 и R7 конструктивно размещены на выводах переменных резисторов R3 и R6, а конденсатор С8 - на выводе КПЕ С9.

pr-5o1-2.gif
Puc.2
Если детали исправны и сборка приемника проведена аккуратно и без ошибок, налаживание сводится к уточнению границ диапазона с помощью подстроечника катушки L4 и настройке входного контура подстроечником катушки L2 по максимальной громкости приема.

ЛИТЕРАТУРА

1. Поляков В. Приемник на одной микросхеме. - Радио, 1997, № 12, с. 34, 35.
2. Мединец Ю., Томсон Т. Ферритовые кольца в спортивной аппаратуре. - Радио, 1977, № 4,0.20-22.
3. Поляков В. Усовершенствование приемника коротковолновика-наблюдателя. - Радио, 1976, № 7, с. 55, 56.


Радио, 2001, № 5, с.66-67.