Линейный усилитель мощности на 144 МГц и 432 МГц


Вольфганг Шнейдер (DJ8ES)

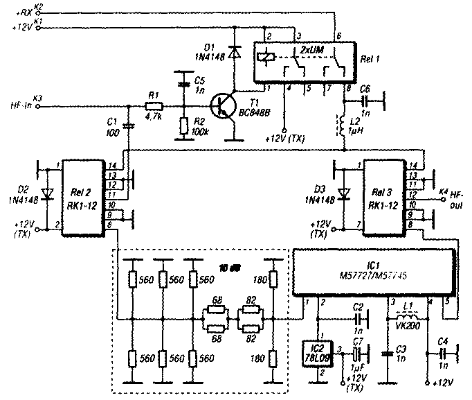
В. Шнейдер спроектировал на базе мощных RF-модулей фирмы Mitsubishi линейный усилитель мощности (РА) на 144 МГц и 432 МГц (рис.1). Оба модуля, М57727 для 2 м и М57745 для 70 см, обеспечивают Рвых = 30...35 Вт в SSB при Рвх = 250 мВт. В режиме приема сигнал с антенны поступает на разъем «4 (HF-out), а затем, через нормально замкнутые контакты Rel.3 (выводы 12, 14) и аналогичные у Rel.2 - на разъем КЗ (HF-in), к которому подключается трансивер. Через дроссель L2 и нормально замкнутые контакты Rel.1 (выводы 6, 8) при необходимости можно подать по фидеру +12 В с К2 (+RX) к антенному приемному усилителю, если он установлен непосредственно возле антенны.

um-x201-1.gif
Puc.1

В режиме передачи РЧ сигнал с трансивера поступает на разъем КЗ (HF-in) и вызывает открывание Т1 и, соответственно, срабатывание Rel 1, 2, 3. При этом РЧ сигнал с мобильного трансивера (Рвых = 2,5 Вт) подается на вход IC1 через аттенюатор «10 дБ». Усиленный ею сигнал через контакты Rel 3 (выводы 8, 12) поступает на разъем К4 и по фидеру в антенну.


Funkamateur, №3/2001, с.291 - 293.