Коммутатор антенн для трансивера Yaesu FT-817


Кнут Теурих (DGOZB)

DGOZB предложил схему автоматического коммутатора антенн для трансивера Yaesu FT-817. Этот трансивер может работать на 12 любительских диапазонах от 160 м до 70 см, при этом имеет только один антенный разъем. Для идентификации включенного диапазона автор использовал вывод BAND DATA разъема АСС трансивера (рис.2), на котором присутствует напряжение, изменяющееся с шагом 0,33 В в зависимости от диапазона (табл.1).

Диапазон, м

Band Data, В

Расчетное значение, В

160

0,33

0,34

80

0,66

0,69

40

1,00

1,03

30

1,33

1,33

20

1,66

1,68

АМ

k.А.

2,03

17

2,00

2,3

15

2,33

2,37

12

2,66

2,63

10

3,00

2,97

6

3,33

3,33

УКВ-ЧМ

k.А.

3,67

2 м

3,66

3,67

70 см

4,0

3,98

k.А. - в спецификации отсутствует

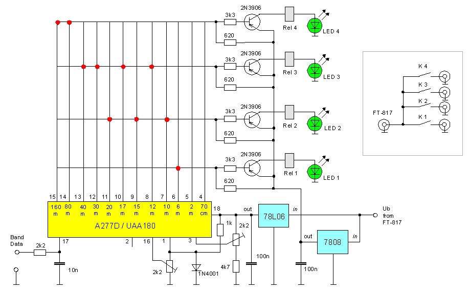
Схема коммутатора (рис.1) построена на основе ИМС многоканального компаратора (или квази-АЦП) A277D (аналог UAA180), имеющей 12 выходов (выводы 4...15), на которых появляется 0 В относительно - Uпит в зависимости от напряжения на входе (выв.17).

urtx-301-2.gif
Puc.1
Для правильной работы схемы коммутатора с FT-817 вначале устанавливают нижний порог компаратора, для этого потенциометром 2,2 кОм добиваются 0,33 В на выводе 16 A277D, тогда при включении 160 м в FT-817 появится О В на выв.15 A277D. Верхний предел компаратора 4,2 В на выв.З A277D устанавливают с помощью второго потенциометра 2,2 кОм. Питание на схему подается с трансивера через тот же разъем АСС (рис.2).
urtx-301-1.gif
Puc.2
Предложенная схема коммутирует 4 антенны, после несложной доработки ею можно переключать до 12 антенн.

Funkamateur, N 5, 2001, с. 534,535.