СВ радиостанция + компьютер
Программа для управления св радиостанцией от компьютера через lpt порт, дружественный интерфейс, простая схема, работает под win 95. 98. 98se. 98me. Программа предназначена для управления стационарной св радиостанцией с синтезатором частоты на основе микросхемы кр1015кх2,3

Обеспечивает:
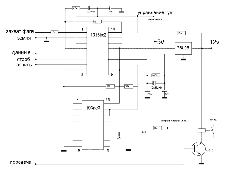
Схема синтезатора

важно:
Схема подключения
порт LPT1
вывод 2 -------------------- разрешение записи
вывод 3 -------------------- строб
вывод 4 -------------------- данные
вывод 6 -------------------- RX-TX
вывод 11 ------------------ вход шумоподавителя
вывод 18-25 -------------- ' земля '
Скачать программу:
Cbwinradio.zip 340kb
Владимир (ua1zly)