КОНВЕРТЕР 144/27 МГц С ПЛАВНЫМ ГЕТЕРОДИНОМ


Игорь НЕЧАЕВ (UA3WIA)

Для приема радиостанций, работающих в УКВ диапазоне 144...146 МГц на трансивер или приемник "гражданского" Си-Би диапазона (27 МГц), необходим конвертер. Если используемый Си-Би трансивер диапазонный, конвертер можно сделать с фиксированным гетеродином. Такой вариант конвертера уже был предложен читателям журнала "Радио" (И. Нечаев. "Конвертер на 144 МГц для Си-Би радиостанции". - Радио, 1999, № 2, с. 57, 58). Если же трансивер имеет только одну-две фиксированные рабочие частоты (например, радиостанция "Урал-Р"), необходим конвертер с перестраиваемым гетеродином.

pr-r902-1.gif

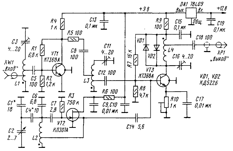
Схема такого конвертера показана на рис. 1. На транзисторе VT1 собран УВЧ, на транзисторе VT2 - гетеродин, а на VT3 - смеситель. Все перечисленные узлы питаются от стабилизатора напряжения на микросхеме DA1, поэтому для питания конвертера можно использовать любой источник с напряжением 12...30 В. Работает конвертер следующим образом. Принимаемый сигнал с антенны через разъем XW1 поступает на входной контур L1C3, где происходит его предварительная частотная селекция. Усиленный транзистором VT1 сигнал поступает на второй ВЧ контур L3C11 и затем на вход смесителя, базу транзистора VT3.

Сигнал гетеродина, через конденсатор С14, также подается на вход смесителя. Перестройка гетеродина по частоте осуществляется конденсатором переменной емкости С2. Разностный сигнал, выделенный контуром L4C16 с части витков катушки поступает на выход конвертера, разъем ХР1. Для защиты элементов конвертера от сигналов собственного Си-Би передатчика радиостанции служат диоды VD1 ,VD2.

В конвертере можно применить следующие детали: транзисторы VT1 ,VT2 - КТ399А, VT3 - КП307В, диоды - любые малогабаритные кремниевые. Конденсаторы: переменной емкости С2 - с воздушным диэлектриком и, желательно, с верньером; подстроечные - КТ4-25; постоянные - КЛС, К10-17, КМ. Постоянные резисторы - МЛТ, С2-33, Р1-4, подстроечный - СПЗ-19. Все катушки конвертера (кроме L4) намотаны виток к витку проводом ПЭВ-2 0,8 на оправке диаметром 5 мм. L1 - содержит4 витка с отводами от 1,5 и 2-го витка; L2 - 6 витков с отводом от 1,5-го витка; L3 - 4 витка с отводами от 1,5 и 3-го витка. Катушка L4 содержит 25 витков провода ПЭВ-2 0,2 с отводом от 5-го витка.

Большинство деталей конвертера размещено на печатной плате из двухсторонне фольгированного стеклотекстолита, эскиз которой показан на рис. 2.

Вторая сторона платы оставлена металлизированной и соединена фольгой по краю платы с общим проводом первой стороны. Плату помещают в металлический корпус подходящего размера. Входной ВЧ разъем XW1 устанавливают на одной из боковых стенок корпуса. Выходной сигнал конвертера подается на вход Си-Би радиостанции через ВЧ кабель с вилкой ХР1 не конце.

Налаживание устройства начинают с установки частоты и диапазона перестройки гетеродина. Эту операцию осуществляют подбором конденсаторов С1, С4 и в небольших пределах, раздвигая витки катушки L2. Если, например, конвертер будет эксплуатироваться с радиостанцией, работающей на частоте 27,2 МГц, для получения диапазона принимаемых частот 144,5..145,8 МГц, где разрешена работа с ЧМ, частота гетеродина должна перестраиваться в пределах 117,3...118,6 МГц. Установку частоты гетеродина следует сделать с некоторым запасом по краям диапазона. Затем конденсатором С16 настраивают контур L4C16 на рабочую частоту Си-Би радиостанции, а конденсаторами С11, СЗ - соответственно контуров L3C11, L1C3 на центральную частоту УКВ диапазона. Принимая слабые сигналы радиостанций подстроечным резистором R10, по наилучшему качеству приема, устанавливают максимальный коэффициент передачи смесителя.

Закончив предварительную настройку, все катушки следует смазать эпоксидным клеем, а уже затем провести окончательную настройку конвертера.

Собранный автором макет устройства имел коэффициент передачи 30 дБ, что позволило совместно с радиостанцией "Урал-Р", имеющей чувствительность 1...2 мкВ, получить суммарную чувствительность 0,18...0,2 мкВ. Ток, потребляемый конвертером, - 15 мА.

Следует отметить, что стабильность частоты гетеродина будет невысокой, но для приема сигналов с ЧМ вполне удовлетворительной. Повысить ее можно за счет использования керамического каркаса для катушки гетеродина и подбора ТКЕ контурных конденсаторов.


Радио 9-02, с.61.