ЦИФРОВОЙ ИНДИКАТОР НАПРЯЖЕНИЯ


С. КУЛЕШОВ, г. Курган

В большинстве случаев результаты измерений аналоговых величин лучше всего считывать с цифрового индикатора. С этой целью при необходимости применяют различные преобразователи (например, температура-напряжение, фаза-напряжение), выходной сигнал которых подают на АЦП и далее на цифровой индикатор. Описываемое устройство удобно использовать, когда нужен недорогой измеритель средней степени точности, а применение однокристальных АЦП по каким-либо причинам невозможно.

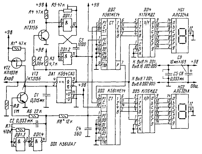
Схема двухразрядного индикатора приведена на рисунке. Диапазон измерений входного напряжения 0...7 В, при большем напряжении следует применять делитель. Принцип работы АЦП основан на измерении времени зарядки конденсатора до напряжения, равного измеряемому, и последующем его преобразовании в цифровую форму. Пропорциональность измеряемых времени и напряжения обеспечивается стабилизацией тока зарядки.

izm-r6o-1.gif
Работой АЦП управляет генератор прямоугольных импульсов на элементах DD1.3, DD1.4. Когда на выходе генератора появляется лог. О, транзистор VT3 закрывается, а на входах РЕ счетчиков DD2, DD3 действует лог. О, разрешая счет импульсов с генератора на DD1.1, DD1.2. Конденсатор С1 заряжается от генератора тока на транзисторе VT2. Когда возрастающее напряжение на конденсаторе сравняется с входным, на выходе 9 компаратора DA1 появится высокий логический уровень. Транзистор VT1 инвертирует его, поэтому работа генератора на элементах DD1.1 и DD1.2 блокируется. Одновременно с этим на входах С DD4, DD5 действует лог 1, разрешающая запись информации со счетчиков DD2, DD3. Зафиксированное число отображается на светодиодных индикаторах HG1, HG2.

Как только на выходе генератора на элементах DD1.3, DD1.4 появится лог. 1, открывается транзистор VT3 и конденсатор С1 разряжается. Компаратор DA1 изменяет свое состояние и блокирует запись в преобразователи кода DD4, DD5. Через небольшой промежуток времени, определяемый цепью R8C4, лог. 1 подается на входы РЕ счетчиков DD2, DD3, записывая в них лог. 0. После этого цикл измерения повторяется.

Если на входе устройства напряжение равно нулю, то на выходе компаратора DA1 присутствует высокий логический уровень, разрешающий запись в DD4, DD5 и блокирующий генератор на DD1.1, DD1.2. При этом в счетчики DD2, OD3 записываются нули, отображаемые индикаторами.

Конструктивно индикатор выполнен на двух платах: на одной - установлены светодиодные индикаторы HG1, HG2; на другой - все остальные элементы. Монтаж на платах можно выполнить печатным способом или тонким проводом в изоляции.

В устройстве использованы постоянные резисторы МЛТ-0,125, конденсаторы С2-С4 могут быть любые керамические. Подстроечный резистор R5 - СП5-2 или другой многооборотный; конденсаторы С1 и СЗ - керамические с малым ТКЕ, в качестве С1 можно также установить К73-17. Светодиодные индикаторы HG1, HG2 можно заменить на АЛС324Б (с общим анодом), подключив входы S преобразователей кода и общие электроды индикаторов к общему проводу. Микросхемы DD4, DD5 можно заменить на К176ИДЗ. Транзисторы VT1, VT3 - любые из серии КТ315.

Налаживание собранного прибора начинают с установки тока зарядки конденсатора С1. Для этого включают микроамперметр в разрыв между стоком транзистора VT2 и точкой соединения конденсатора С1 с коллектором VT3 и подбором резистора R1 устанавливают ток около 20 мкА. После этого подают на вход устройства напряжение, соответствующее верхней границе диапазона измерений, и резистором R5 устанавливают на индикаторах соответствующее показание. Иногда, при нечетком обнулении счетчиков (когда на индикаторах чередуются нулевые и ненулевые показания), требуется подобрать резистор R8. После регулировки, изменяя напряжение на входе, проверяют работу устройства в целом.

В авторском варианте описанное устройство используется в качестве вольтметра лабораторного блока питания. •


Радио 6/2000, с.48.