КВАДРАТУРНЫЙ СМЕСИТЕЛЬ НА ВСТРЕЧНЫХ ВОЛНАХ


В. ПОЛЯКОВ, г. Москва

В ряде практических случаев конструирования радиоаппаратуры требуются преобразователи частоты, обеспечивающие на выходе два квадратурных сигнала. Они находят широкое применение в формирователях однополосного сигнала для средств связи, в устройствах синхронного прима (приемниках прямого преобразования), в аппаратуре цифровой обработки. Автор данной публикации предлагает еще один способ простого построения квадратурного смесителя.

Для полного описания радиосигнала надо задавать два его параметра: текущую амплитуду А и текущую фазу Ф. На комплексной плоскости сигнал изображается вектором А, повернутым на угол Ф (рис. 1). Однако практическое представление столь разнородных параметров в виде электрических величин крайне неудобно. Гораздо лучше использовать проекции вектора сигнала на вещественную ось I = A cosФ и на мнимую ось Q = A sinФ.

pr-r8o-1.gif
Puc.1
Эти параметры однородны и отображаются напряжениями постоянного (но изменяющегося при модуляции) тока при преобразовании на нулевую частоту, или напряжениями переменного тока, когда Ф = wlt + ф. По известным I и Q всегда можно найти А и Ф: А2 = I2 + Q2, Ф = arctg(Q/l). Обозначения сигналов принятые в зарубежной литературе: I - in phase и Q - quadrature. Традиционная техника построения квадратурных преобразователей предусматривает использование высокочастотного (ВЧ) фазовращателя, установленного в цепи подачи гетеродинного напряжения на смесители (рис. 2,а). На выходах смесителей образуются сигналы разностной частоты, а поскольку фазы сигналов преобразуются точно так же, как и частоты, эти сигналы будут иметь относительный фазовый сдвиг p/2. Иногда, например в обратимых однополосных преобразователях, с целью сохранения выделяемой боковой полосы высокочастотный преобразователь устанавливают в цепи сигнала (рис. 2,б).
pr-r8o-2.gif
Puc.2

Высокочастотные фазовращатели по рис. 2,а удобно выполнять на цифровых микросхемах одновременно с делением частоты гетеродина на 4, но частотный диапазон цифровых фазовращателей ограничен десятками мегагерц. Не намного шире и диапазон фазовращателей, выполненных на дискретных LCR-элемен-тах, поскольку на высоких частотах начинает сильно сказываться влияние паразитных индуктивностей и емкостей монтажа и других элементов схемы. Во всяком случае, без элементов подстройки фазовращатель на дискретных элементах выполнить не удается.

Общей тенденцией при переходе к высоким частотам является использование цепей с распределенными параметрами, в частности, длинных линий. ВЧ фазовращатель также можно выполнить на линии с электрической длиной l/4. Практически удобнее взять линию длиной всего l/8 и направить ВЧ сигналы со входа и от гетеродина навстречу друг другу, как показано на рис. 3. Относительный фазовый сдвиг сигналов на входах смесителей будет как раз p/2, что и требуется. Но при этом нужны смесители, в которых и сигнал и гетеродин подаются на один и тот же вход, т.е. обычные балансные смесители здесь не годятся. Зато как нельзя лучше подходит смеситель на встречно-параллельных диодах, предложенный автором более 20 лет назад! В нем частота гетеродина вдвое ниже частоты сигнала и преобразование происходит по закону F = 2fг - fс, или F = fс - 2fг. Длина линии на частоте гетеродина составит всего l/16, но поскольку фаза гетеродина, так же, как и частота, при преобразовании удваивается, на выходах смесителей по-прежнему образуются квадратурные сигналы.

pr-r8o-3.gif
Puc.3

При практической реализации квадратурного смесителя на встречных волнах целесообразно (но не обязательно) использовать в линии режим бегущих волн. С этой целью входные сопротивления смесителей с параллельно подключенными выходными сопротивлениями источников сигналов должны равняться волновому сопротивлению линии. Входные и выходные емкости надо скомпенсировать параллельным подключением индуктивностей или иным способом. Линию можно выполнить в виде отрезка коаксиального кабеля, в виде печатной микрополосковой линии или на сосредоточенных элементах.

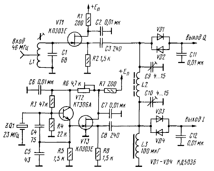
В качестве примера практической реализации смесителя на рис. 4 приведена практическая схема входной части экспериментального гетеродинного приемника на частоту 46 МГц. Входной контур образован элементами L1C1, а УРЧ собран по схеме истокового повторителя на полевом транзисторе VT1. Точно по такой же схеме сделан и буферный каскад гетеродина на транзисторе VT3. Гетеродин приемника выполнен по схеме емкостной трехточки на биполярном транзисторе VT2 с использованием кварцевого резонатора на частоту 23 МГц. В цепи питания гетеродина установлен подстроенный резистор R6, позволяющий подобрать уровень сигнала гетеродина на диодах смесителя с целью получения максимального коэффициента передачи.

pr-r8o-4.gif
Puc.4

Через разделительные емкости СЗ и С8 ВЧ сигналы подаются на концы линии с подключенными к ним смесителями на диодах VD1-VD4. Сама линия, по причине не слишком высокой частоты, выполнена в виде П-образного звена фильтра нижних частот на сосредоточенных элементах L2C9C10. Частота среза звена лежит намного выше частоты сигнала, поэтому оно вносит лишь фазовый сдвиг, а не затухание ВЧ сигналов. Выходные емкости истоковых повторителей и входные емкости смесителей учитываются при настройке соответствующей корректировкой емкостей звена подстроечными конденсаторами С9 и С10. Конденсаторы С11 и С12 отфильтровывают высокочастотные компоненты на выходах смесителя и ограничивают полосу пропускания звуковыми частотами.

Катушка L1 содержит 7 витков провода ПЭЛ 0,5 и выполнена на каркасе диаметром 5 мм с магнетитовым под-строечником, катушка линии L2 намотана на высокочастотном кольце с внешним диаметром 9 мм (щечка магнитопровода СБ-9) и содержит 8 витков провода ПЭЛ 0,25. Дроссель L3 нужен лишь для замыкания цепи смесителя по постоянному току, его индуктивность некритична.

Налаживание устройства сводится к настройке входного контура и установке уровня гетеродинного напряжения по максимуму сигнала на выходе и к регулировке фазового сдвига в каналах. С этой целью сигналы I и Q подаются, после соответствующего усиления (автор использовал сдвоенный ОУ К157УД2), на входы X и Y осциллографа. Установив одинаковое усиление по каналам, регулировкой конденсаторов С9 и С10 добиваются получения на экране правильной окружности.

Описанное устройство обеспечило чувствительность, ограниченную шумами, нескольких микровольт(задача получения максимальной чувствительности не ставилась) и точность фазового сдвига сигналов на выходах лучше нескольких градусов, во всяком случае, форма фигуры на экране осциллографа была неотличима от окружности во всем диапазоне частот биений от постоянного тока до нескольких килогерц.


Радио 8/2000, с.47-48.