Модернизированный усилитель мощности "ВЭБР УМ-40/8-10М"
Описываемый усилитель мощности разработан и серийно выпускается предприятием "ВЭБР" г.Воронежа. Он предназначен для совместной эксплуатации с серийно выпускаемой тем же предприятием радиостанцией "ВЭБР-40/8", работающей в диапазоне частот 27...57 МГц, с целью трансформации ее в возимый или стационарный вариант, а также для совместной работы с другими радиостанциями, работающими в том же диапазоне частот и имеющими выходную мощность передатчика в пределах 1...4 Вт, при условии обеспечения одновременной подачи питания радиостанции и входного сигнала на антенный вход радиостанции по ВЧ-кабелю, подключенному ко входу УМ.Основной задачей при разработке данного усилителя, по сравнению с усилителем мощности, описанным в [1], была замена дорогостоящего транзистора КТ930 на дешевый транзистор 2SC1969 в корпусе ТО220 и введение за счет этого в состав усилителя дополнительных сервисных устройств, таких как УВЧ приемника, индикатор КСВ, усилитель низкой частоты и фильтр питания, без увеличения общей стоимости изделия.
Характеристики усилителя мощности
Выходная мощность передатчика, 15 Вт
Ток потребления в режиме "Передача", не более, 3 А
Коэффициент усиления УВЧ ПРМ, не менее, 3 дБ
Выходная мощность УНЧ на нагрузке 40 Ом, не менее, 3,5 Вт
Порог срабатывания индикатора КСВ 3...5
Напряжение стабилизатора, 10...10,5 В
Напряжение фильтра питания, 13,5...14 В
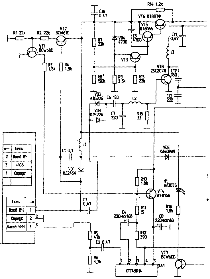
Ток, потребляемый усилителем мощности при отключенном питании радиостанции, не более, 6 мАУсилитель мощности собран на транзисторах VT8, VT10. Введение дополнительного каскада усиления на транзисторе VT8 потребовалось для компенсации недостаточного коэффициента усиления транзистора VT10, особенно в верхней части диапазона рабочих частот.
Сигнал передатчика с выхода радиостанции через диоды VD2 и VD3 и согласующуюся цепь С6, С7, L2 подается на базу транзистора VT8. Далее сигнал усиливается транзисторами VT8 и VT10 и подается на ФНЧ. Одновременно сигнал подается через конденсатор С24 на детектор, выполненный на транзисторе VT11, с выхода которого постоянное напряжение подается на светодиод Н2, который индицирует наличие мощности на выходе передатчика. Одновременно напряжение подается на ключ на транзисторе VT12, который открывает pin-диоды VD12, через который сигнал проходит на выход УМ, и VD11, который блокирует вход УВЧ ПРМ, выполненный на транзисторе VT9.

При этом П-контур на элементах С27, С32, L10, через который сигнал подается на вход УВЧ ПРМ, превращается в параллельный контур L10, С32, имеющий большое сопротивление и не шунтирующий выход передатчика. Одновременно ключ на транзисторе VT12 через диод VD10 блокирует смещение на транзисторе VT9, что приводит к закрыванию pin-диода VD5 и предотвращает прохождение сигнала передатчика радиостанции на выход УВЧ ПРМ.
Сигнал передатчика с выхода УМ подается через токовый трансформатор Т1 индикатора КСВ, который бапанси-руется конденсатором С32 по минимуму напряжения на конденсаторе С18 при работе на активную нагрузку 50 Ом. Порог срабатывания индикатора КСВ выставляется резистором R17.
Усилитель низкой частоты выполнен на микросхеме К174УН14 по стандартной схеме включения и каких-либо особенностей не имеет. Для того чтобы УНЧ не был постоянно подключен к цепи питания усилителя мощности, что могло бы привести к разряду аккумулятора автомобиля при.длительной стоянке, применена схема подачи питания на УНЧ, выполненная на транзисторах VT1, VT2, VT4, которая включается за счет падения напряжения на диоде VD1 и отключается при отсутствии потребления по цепи питания радиостанции. Стабилизатор напряжения для питания радиостанции на транзисторах VT3, VT5, VT6 и фильтр питания на транзисторах VT13...VT15 выполнены по одинаковой схеме и различаются только цепями запуска, роль которых выполняет в первом случае R14, а во втором - элементы R37, VD15, VD16, что позволяет стабилизатору напряжения иметь защиту от короткого замыкания, а фильтру питания обеспечивать уверенный запуск при работе на большую нагрузку. Напряжения стабилизации стабилизатора напряжения и фильтра питания выставляются подбором резисторов R8 и R39 соответственно.
Данные катушек индуктивности приведены в таблице. 
Позиция
Каркас
Кол-во
витков
Провод
L1,L3
Кольцо 50ВЧ 9,5x3x0,5
13
ПЭВ 0,35
L2, L4, L5
Оправка диам.4 мм
4
ПЭВ 0,56
L6
Оправка диам.4 мм
15
ПЭВ 0,56
L7, L9
12
ПЭВ 0,8
L8
18
ПЭВ 0,8
L10
13
ПЭВ 0,56
L11
17
ПЭВ 0,8
L12
14
ПЭВ 0.8
М20ВН-1к
1-0,5
МГШВ 0,25 мм
Т1
7x4x2 мм
«-12
ПЭВ 0,25 мм
Литература
1. Радиостанция "ВЭБР". - Радиолюбитель, 1999, N9.