УКВ БЛОК
А. Колесников (UI8ABD), г. Ташкент
Для полевой аппаратуры в диапазонах 144 и 420 Мгц из ходовых ламп наиболее приемлемы лампы 6НЗП. С аппаратуры, собранной на этих лампах по двухтактным схемам (рис. 1), можно снять не только повышенную мощность порядка 1,5-2,5 Вт, такая аппаратура более стабильна по частоте и менее капризна в налаживании и работе при соблюдении определенных условий.
На УКВ наиболее удачными являются схемы с заземленной (общей) сеткой, но для выявления их преимуществ необходимо, чтобы индуктивность в цепи сетки (общего электрода) была уменьшена до предела, чтобы цепь катода, находящаяся под напряжением ВЧ, была изолирована от цепей накала или последние должны иметь одинаковый ВЧ потенциал с катодом. Обычно в любительских конструкциях эти условия не соблюдаются, и поэтому мы поясним их значение более подробно.
В диапазоне УКВ такие детали, как блокировочные конденсаторы, ВЧ дроссели и даже провода монтажа, являются сложными электрическими цепями. В зависимости от рабочей частоты конденсатор определенной конструкции может иметь характер или "чистой" емкости, или индуктивности, или даже особенности настроенного LC контура. Так например, трубчатый керамический конденсатор КТК емкостью в 51 пф при длине соединительных проводов 2-9 мм является последовательным резонансным контуром на частоте 155-160 Мгц, на частоте 50 Мгц он еще работает как некоторая емкость, на частоте выше 160 Мгц- как все возрастающая "индуктивность". Такое же поведение наблюдается и у ВЧ дросселей - в случае большой распределенной емкости намотки (величина ее, в основном, определяется диаметром каркаса дросселя), начиная с определенной частоты, дроссель становится как бы емкостью. Эти особенности поведения деталей на УКВ могут резко изменить и усложнить работу любого УКВ прибора при повышении рабочей частоты. Дело в том, что в обычном генераторе всегда должны быть две настроенные цепи, одна из которых определяет рабочую частоту, а вторая - условия обратной связи. Такие двухконтурные системы (в схемах на УКВ вторая цепь не всегда бывает явно выражена) легко настраиваются, устойчивы при нагрузке, могут работать в широком диапазоне частот. Неудачная деталь, лишний ВЧ дроссель, длинная проводка до точки заземления какой-либо детали и т. д. могут в систему УКВ генератора внести третий, лишний контур, который создает сложную неустойчивую систему, а отсюда появляются провалы генерации по диапазону, резкое уменьшение мощности, неустойчивость частоты и се скачкообразное изменение от случайных воздействий и т. д. Настройка такой системы очень усложняется и сводится в сущности к отысканию лишней "паразитной" цепи в генераторе. Вывод один - надо поменьше применять ВЧ дросселей, подбирать малые диаметры их каркасов и самого провода, в некоторых случаях ВЧ дроссели заменять сопротивлениями порядка 1-2 ком. Все развязывающие конденсаторы должны иметь минимальную длину соединительных проводов. На УКВ такие конденсаторы удобно выполнять в виде плоских пластин, прижатых к шасси через прокладку из слюды, фольги, пластмассы и т. д., или применять специальные промышленные образцы развязывающих УКВ конденсаторов. В УКВ конструкциях очень важна предварительная "примерка" расположения всех деталей отдельных ВЧ блоков, вплоть до создания временного макета из предлагаемых деталей.
Конструкция высокочастотного блока
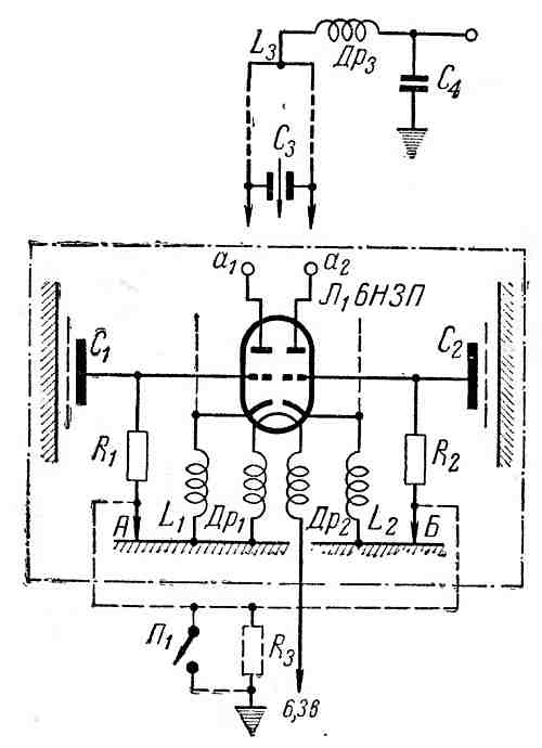
Все изложенные принципы применены в конструкции ВЧ блока, который можно использовать как основной конструктивный элемент для разных УКВ устройств в широком диапазоне частот. ВЧ блок собран по двухтактной схеме на лампе с заземленной сеткой (рис. 1).

Puc.1Все детали схемы, обведенные пунктиром, смонтированы на жестком металлическом основании вокруг керамической панельки лампы 6НЗП (рис. 2). Само основание (деталь 1 на рис. 2) делается из твердого алюминия толщиной 1,5- 2,0 мм или из латуни толщиной 0,8- 1,0 мм. В случае более тонкого алюминия для большей жесткости края основания необходимо изогнуть.

Такая конструкция удобна также для тех случаев, когда весь прибор нужно экранировать. Внешние размеры основания 58х56 мм (рис. 2) надо считать минимальными при сборке ВЧ блока из стандартных детален. На высоте 36 мм от края основания делаются отверстия: одно диаметром 21,5 мм и два - с резьбой МЗ для крепления керамической девятиштырьковой панельки лампы 6НЗП.
Над панелькой на плоскости основания крепятся две пластины (рис.3, а) плоских конденсаторов С1, С2 сделанные из листовой ровной латуни или меди толщиной 0,6-0,8 мм. При изготовлении часть пластины, показанная пунктиром на рис. 3, а, надрезается лобзиком и отгибается в виде скобы вверх (рис. 3, б). К этим скобам в дальнейшем припаиваются лепестки от сеток ламп. К основанию блока 1 пластины 3 (рис. 2) крепятся двумя винтами М2 согласно рис. 3, б, на котором показана сборка всего узла, включая крепления сопротивлений утечки сеток R1, R2.

Винты проходят через отверстия диаметром 4 мм и основании 1 и изолированы от него при помощи втулок в. Втулки делаются из эбонита или органического стекла. При сборке конденсаторов С1 и С2 между пластинами 3 и основанием 1 прокладывается пластина из слюды толщиной 0,1- 0,12 мм или меньше. Для симметричности емкости конденсаторов важно, чтобы прокладки изготовлялись из одного и того же листа слюды. Емкость конденсаторов С1, С2 получается порядка 105-110 пф.
Пластины слюды можно извлечь из старых конденсаторов КСО больших размеров. Не следует применять слюду из старых паяльников. При сборке конденсаторов под головку болтов М2 вместо шайб вкладывается латунный лепесток, к которому припаивается один конец сопротивления сеток R1, R2. Крепление пластин 3 двумя болтами несколько сложно, но дает более равномерное прилегание пластин к основанию и обеспечивает равенство емкостей С1, С2. После сборки конденсатор необходимо проверить на пробой при напряжении 250-300 в, испытания тестером на отсутствие замыкания недостаточно.
У нижнего края основания 1 к нему крепится двумя болтами М2, МЗ или заклепками угольник 2, сделанный из полоски меди (латуни) толщиной 0,4--0,5 мм (см. рис. 3, г). С обратной стороны основания под крепежные гайки винтов или заклепок подкладываются латунные лепестки, к которым припаиваются концы сопротивлений R1R1 (см. рис. 3, в).
Вывод второго дросселя накала проходит через отверстие диаметром 4 мм на обратную сторону основания и центрируется в этом отверстии небольшим куском ("бусинкой") из упругого изолирующего материала (резины, полиэтилена от кабеля РК-1 и т. д.).
В случае использования ВЧ блока в схеме трансивера сопротивления R1, R2 должны быть изолированы от шасси (точки А, Б на рис. 1). Для этого с обратной стороны основания под крепежные винты угольника 2 подкладывается полоска из изолирующего материала с двумя-тремя крепежными лепестками для крепления концов сопротивлений R1, R2. В таком случае и вывод накала жестко крепится на этой же планке. Лепестки накала, катодов и сеток ламповой панельки осторожно изгибаются под прямым углом и частично срезаются (на 1 мм. до отверстия в лепестке). Вывод 5 внутреннего экрана между триодами 6НЗП и центральный крепежный лепесток панельки срезаются. Лепестки анодов а1, а2 остаются прямыми, но их
плоскость плоскогубцами осторожно поворачивается примерно на 30-40° так, чтобы они были параллельны вертикальным граням основания. К этим лепесткам затем припаиваются отрезки линии, образующие анодные контуры генераторов.
Монтаж описанным способом восьми деталей (рис. 1) и создает УКВ блок. Он дает необходимую для УКВ жесткость конструкции и постоянство параметров схемы, пригоден для широкого диапазона частот при легкой замене деталей и, что особо важно, не требует промышленных деталей и, следовательно, может быть повторен в любом месте. В зависимости от назначения и диапазона рабочих частот в УКВ блоке необходимо менять значения индуктивностей в катоде, внешние анодные цепи и связанные с ними элементы связи с нагрузкой.
При использовании УКВ блока для конструкции генераторов индуктивности L1, L2 определяют нужную фазу обратной связи, сама же величина обратной связи в схеме определяется соотношением внутриламповых емкостей.
В случае использования блока в качестве ВЧ усилителя индуктивности. L1, L2 с емкостью катод-сетка настраиваются на рабочую частоту, а обратная связь в схеме нейтрализуется введением добавочных емкостей.
Все дальнейшее изложение относится к УКВ блоку, используемому в режиме УКВ генераторов или сверхрегенераторов.
Конструкция колебательных контуров
Анодные контуры, подключаемые к УКВ блоку, в нашем случае выполнены в виде четвертьволнового отрезка двухпроводной линии на диапазонах как 144, так и 420 Мгц. Применение линий обеспечивает высокий КПД, повышенную стабильность частоты, устойчивость работы.
В зависимости от диапазона эти линии и органы настройки выполняются по-разному.
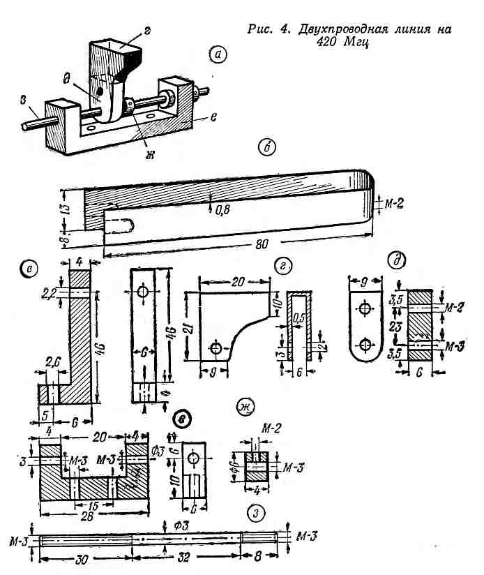
Диапазон 420-435 Мгц.
Для понижения волнового сопротивления линия сделана из полоски красной меди шириной 13 мм, толщина полоски 0,6-0,8 мм (рис. 4, б). Эскиз органа настройки изображен на рис. 4, а. Разомкнутые концы линии припаиваются к анодным лепесткам а1, а2 панельки 6НЗП (см. рис. 1), причем последние накладываются с наружных сторон полоски. Короткозамкнутый конец крепится к основному шасси прибора при помощи угольника (рис. 4, в), сделанного из любого изолирующего материала.

Угольник и линия скрепляются винтом М2, под головку которого вкладывается латунный лепесток для припайки конца анодного дросселя Др3 (см. рис. 5). Настройка в диапазоне 420-435 Мгц достигается введением добавочной переменной емкости С3 на открытом конце линии. Статором этого конденсатора являются полоски самой линии, ротор выполнен в виде П-образного

"флажка" на поворотном механизме (рис. 4,а, 4,г). "Флажок" делается из полоски красной меди толщиной 0,5 мм и крепится сперва к колодке (рис. 4,д) из органического стекла (винтом М2) и только через нее-к оси вращения (рис. 4,з). Ось сделана из стальной проволоки диаметром 3 мм, с обоих концов имеет резьбу М3 и укладывается в отверстия стойки (рис. 4,ж), сделанной тоже из органического стекла. Стойка крепится с ротором к основному шасси прибора на расстоянии 25 мм от ламповой панельки. При таком положении и расстоянии между "флажком" и линией по 0,5 мм с каждой стороны перекрывается диапазон частот 418-437 Мгц.
Следует напомнить, что полоска из которой сделана линия и "флажок" должны быть тщательно выровнены, отполированы и покрыты бесцветным лаком, если нет возможности их посеребрить. Это значительно повышает добротность линии при длительной эксплуатации.
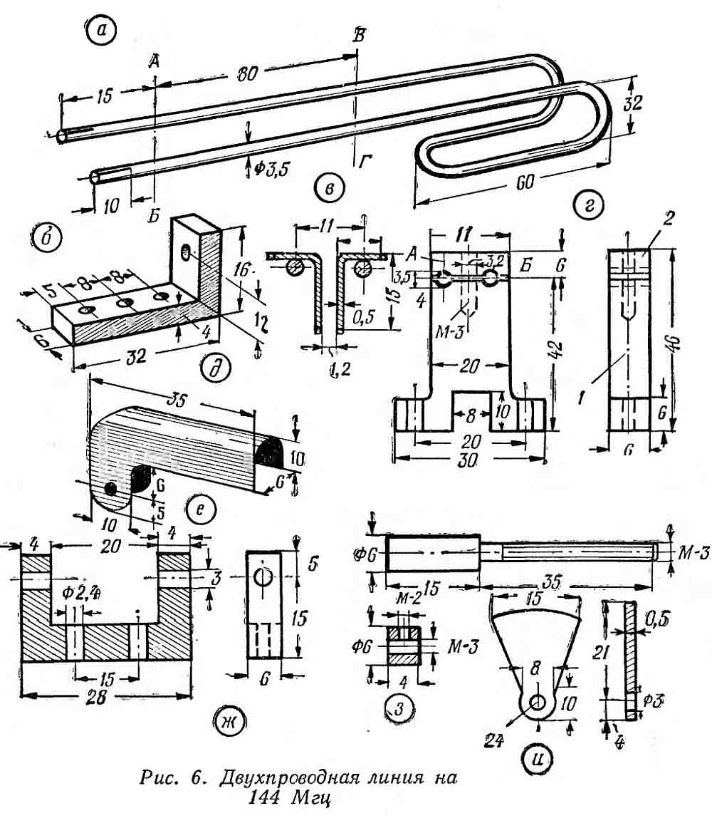
Диапазон 144-146 Мгц.
Все основные детали конструкции приведены на рис. 6. Линия анодного контура (рис. 6, а) выполнена из гладкой, медной проволоки диаметром от 3,5 до 4,5 мм. Общая длина несогнутой линии 250 мм.

Для уменьшения габаритов прибора и удобства связи с антенной анодная линия частично изогнута у короткозамкнутого конца. На разомкнутом конце в проводах линии сделаны лобзиком продольные прорези, в которые при монтаже впаиваются лепестки анодов а1, а2 (рис. 1) от панельки 6НЗП.
Короткозамкнутый конец линии крепится к основному шасси прибора при помощи угольника (рис. 6, б) из любого материала. Для нормальной работы генератора важно, чтобы нижний край изогнутой линии был удален от шасси не менее 10 мм. Линия и угольник (рис. 6, б) скрепляются винтом М2, для чего в центре изгиба линии делается резьба М2. Если такое крепление невозможно, то к короткозамкнутому концу припаивается более широкая пластина и крепление делается на винте МЗ. Угольник с линией привинчивается к основному шасси. В четвертом отверстии угольника закрепляется винтом М2 латунный лепесток, к нему жестко припаиваются "холодный" конец дросселя Др3 и развязывающий конденсатор С4 (см. рис. 1). В сечении А Б линии (рис. 6, а) крепятся пластины добавочного конденсатора (рис. 6, в) для подгонки в диапазон (без этого конденсатора линия должна быть еще длиннее). В сечении ВГ линии укрепляется опорная стойка из хорошего изолирующего материала для большей жесткости и постоянства частоты генератора (рис. 6, г). Желательно иметь две такие стойки у генераторов, которые должны работать на фиксированных частотах. У генераторов с переменной частотой это осложняет настройку. Орган настройки в принципе выполнен так же, как и в диапазоне 420-435 Мгц (рис. 6, д, 6, ж, 6 з, 6, и), но флажок более длинный, крепится он на изолирующей колодке (рис. 4, д). На. рис. 6, д показана несколько видоизмененная конструкция оси настройки. Стойка с органом настройки крепится под линией на расстоянии 35 мм от ламповой панели и располагается перпендикулярно линии. Изменяя зазор между флажком и проводами линии (обычно 0,5 мм), можно получить растяжку по диапазону до 3 Мгц. При необходимости перекрытия широкого диапазона (10-15 Мгц) настройку можно производить флажком, вводимым между пластинами добавочного конденсатора (см. рис. 7, где показаны оба вида настройки).
Опорная стойка линии (рис. 6, г) изготовляется из органического стекла согласно размерам уже закрепленной анодной линии и затем разрезается лобзиком по линии А Б. Часть 1 крепится к основному шасси под линией на расстоянии 95 мм от панельки 6НЗП, верхняя часть 2 затем накладывается поверх линии и стягивается винтом МЗ (показано пунктиром на рис. 6, г).
Остальные детали схемы УКВ блока (рис.1): дроссели, индуктивности, сопротивления изменяются в зависимости от диапазонов рабочих частот. Практика показывает, что примененные дроссели Др1, Др2, Др3 одинаково хорошо работают как на 144, так и на 420 Мгц. Все они наматываются на жестких каркасах. Особенно удобны для этой цели старые сопротивления типа ТО, так как жесткий посеребренный вывод расположен в центре каркаса. Сопротивления ТО на 0,25 вт имеют диаметр 3 мм, сопротивления на 0,5 Вт - 5 мм. Для каркасов используются сопротивления ТО порядка 10 ком и выше. Все данные деталей УКВ блока приведены в табл. 1.

Связь с антенной осуществляется петлей связи, симметрично расположенной относительно анодной линии (рис. 7).

Длина петли и степень связи зависят от свойств применяемой антенны. Для диапазона 420 Мгц ее длина примерно 30-40 мм, для 144 Мгц - 60-80 мм при применении 5-элементных согласованных антенн.
Настройка схем генераторов
Многократно повторенные конструкции УКВ блока (в разных местах и разными конструкторами) показали в работе высокую надежность блока. Некоторые отклонения возникают обычно за счет отклонений в конструкции линий и элементов настройки. Необходимые пределы настройки подбираются незначительными изменениями расстояний между полосками линии на 420 Мгц или изменением расстояния пластин добавочного конденсатора настройки в диапазоне 144 Мгц. Увеличение растяжки диапазонов можно получить при приближении элементов настройки к короткозамкнутому концу линии. Для этих работ необходим УКВ волномер или жестко смонтированная двухпроводная линия. Окончательную регулировку частоты необходимо делать при включенной антенне или другой нагрузке и оптимальной связи с анодной линией. Связь с антенной подбирается такой, чтобы ток сетки спадал примерно до половины его значения без нагрузки или по максимуму излучения, контролируемому на некотором расстоянии от антенны при помощи любого индикатора поля.
Обратная связь в схемах генераторов (рис. 1) получается за счет емкости цепей анод-катод Сак. Этой емкостной связи вполне достаточно для нормальной работы на 420- 435 Мгц (судить о ней можно по величине тока сетки, который должен составлять примерно 15-20% тока анода). Однако в диапазоне 144-146 Мгц этой связи недостаточно и ее надо усилить введением добавочной емкости Сак. Делается это при помощи двух отрезков провода диаметром 0,8-1,0 мм, длиной 60 мм, изогнутых в виде скобок с расстоянием между проводами 8-9 мм. Один конец скобок слегка загибается и припаивается к лепесткам катодов в таком положении, чтобы противоположная сторона скобки оказалась параллельной анодной линии. Расстояние проводов скобки до линии около 3-4 мм не критично, эта слабая связь (доли пикофарады) значительно повышает мощность генератора. Ориентировочный режим работы генераторов приведен в табл.2.

В качестве нагрузки использовались лампочки накаливания 6,3в х0,28 а или 18 вХ0,1 а, а также 12 в (5,0 вт), подключаемые непосредственно у короткозамкнутого конца линии с подбором наивыгоднейшей связи. Интересно отметить, что благодаря большей добротности анодных контуров генераторы без нагрузки начинают работать уже при 25 в анодного напряжения. Уменьшение сопротивлений в цепи сеток R1, R2 до величины 4,3 ком (на 144 Мгц} повышает мощность на 0,2-0,3 Вт, но ухудшает общий КПД по анодной цепи за счет перевозбуждения генератора.
При практическом воспроизведении схем генераторов неисправности в работе отмечались в следующих случаях: 1) конденсаторы сеток С1, С2 имели утечку из-за плохой изоляции или неправильной сборки; 2) плоские конденсаторы сеток заменялись какими-либо другими (при этом нарушение нормального режима неизбежно!); 3) сопротивления утечек R1, R2 монтировались из-за механического удобства заземления с той же лицевой стороны, где собраны
остальные детали - увеличение "масссы" выводов сеток дает паразитную связь с анодным контуром при большой его добротности; 4) при монтаже анодной линии диапазона 144 Мгц ее нижний, короткозамкнутый конец подходит к основному шасси ближе, чем 10 мм; 5) общая конструкция передатчика резко отличается от приведенной - в этом случае за счет добавочных, привносимых связей, возможны колебания на паразитных более высоких частотах, 6) полная экранировка изменяет частоту, 7) несимметричные лампы 6НЗП (по крутизне и значению анодного тока) дают резкое понижение мощности. Мы умышленно приводим перечень отступлений, которые встретились в период освоения схемы разными конструкторами, чтобы предостеречь от их повторения. Сам УКВ блок, собранный по описанию, работает безотказно.
Схема полевой аппаратуры
УКВ блок в основном разработан для маломощных приемно-передающих или трансиверных схем в диапазоне 144 и 420 Мгц. Одна из действующих схем приведена на рис. 8, варианты ее выполнения показаны на рис. 7 и 5. УКВ блок с анодной цепью или два таких блока в случае приемно-передающего варианта (рис. 7) крепятся на горизонтальном Г и П-образных шасси. Его размеры подбираются индивидуально в зависимости от деталей модулятора или выполнения НЧ усилителя (трансформаторы, переключатели, типы ламп и т. д.) Детали НЧ части удобно располагать с нижней стороны шасси. Для диапазона 144 Мгц максимальные размеры ею не превышают 80х250х40 мм, для 420 Мгц - 60х160х40 мм.

Puc.8В варианте приемо-передающей полевой аппаратуры можно более просто подбирать условия наилучшей работы сверхрегенеративного приемника путем подбора связи с антенной и нужной величины обратной связи (обычно малой). Обе величины связи в режиме передачи, наоборот, всегда велики. Поэтому следует рекомендовать именно такой вариант, хотя он и требует введения антенного переключателя, повышенного расхода питания и т. д. В трансиверных схемах аппаратуры (см. рис. 8) переход с приема на передачу осуществляется комбинированным переключателем П1, П2, П3 и П4 Настраивать трансиверные схемы надо на наибольшую чувствительность приемника, заведомо примиряясь с понижением мощности в режиме передачи; делается это подбором связи с антенной, подбором определенной величины обратной связи и анодного напряжения. Сильная обратная связь в схемах сверхрегенераторов ведет к многократной настройке на станции и сильному излучению. При настройке сверхрегенеративных схем следует помнить, что НЧ усилитель может перегружаться напряжением колебаний вспомогательной гасящей частоты сверхрегенерации. Такой режим сопровождается свистами или малым усилением по НЧ. Устраняется он подбором конденсаторов С3 (рис. 1 и 8) или введением добавочного НЧ фильтра из R и С за дросселем Др3, а также в самой цепи сетки НЧ усилителя. Модуляторы или усилители НЧ могут быть любые. Для полевых условий в модуляторе использовалась лампа 6Ж5П, для модуляционного дросселя и микрофонного трансформатора применялись индукционные катушки телефонного типа, имеющие по 7000 витков. Для включения микрофона на одну из катушек доматывается 300-400 витков провода 0,2-0,25 мм. Оформление модулятора может быть любое при условии, что он не будет нарушать симметрию условий анодного контура. Это условие проще всего выполняется при расположении НЧ деталей и лампы под шасси (рис. 7). На этом рисунке показана приемно-передающая аппаратура на 144 Мгц, отлично выполненная Г. Савиновым (UJ8ADA Ташкент). Металлический экран между линиями приемника и передатчика снят, слева на пластине из органического стекла закреплены петли антенной связи и антенный переключатель "прием-передача", комбинированный с переключателем анодного напряжения с
приема на передачу. Кроме полевой УКВ аппаратуры, УКВ блок используется в диапазоне 144 Мгц в качестве задающего генератора передатчика с выходной лампой ГУ-32. Большая мощность, отдаваемая лампой 6НЗП, позволяет поставить такой задающий генератор в легкий режим, связь с цепью сетки ГУ-32 сделать слабой при помощи ненастраивающейся петли, а это значительно повысит стабильность частоты такого двухкаскадного передатчика и его сигналы можно уверенно принимать на супергетеродин с двойным преобразованием. ВЧ мощность в режиме несущей получается до 20 Вт при Ua=400 B, Uc2=185 B.
УКВ блок используется также в схемах утроителей частоты, например 144-420 Мгц, в схемах усилителей ВЧ и двухтактных смесителей на 420 Мгц и для конструкции гетеродинов с повышенной стабильностью частоты, в супергетеродинных приемниках на УКВ в тех случаях, когда нельзя применить гетеродины с кварцем.
Некоторые указанные выше применения УКВ блока будут описаны в дальнейшем.