Расчет вертикальной четвертьволновой антенны


Ю. Прозоровский (UA3AW)
Одним из основных способов снижени я помех телевизионному приему со стороны любительских передатчиков является применение передающих антенн с вертикальной поляризацией. Наиболее распространена среди коротковолновиков четвертьволновая вертикальная антенна («Ground plane»). Эта антенна состоит из вертикального штыря, длина которого обычно несколько меньше четверти длины рабочей волны, излучаемой передатчиком, и противовеса. Он выполняется из нескольких горизонтально расположенных четвертьволновых лучей, соединенных с оболочкой коаксиального кабеля, по которому от передатчика подается высокочастотная энергия.

Сопротивление излучения такой четвертьволновой антенны равно 28—32 ом (в зависимости от внешнего диаметра металлических трубок, из которых она построена). Поэтому соединение антенны с 50- или 75-омным коаксиальным кабелем приведет к появлению в нем стоячих волн и к потере энергии. Для согласования вертикального штыря с кабелем необходимо использовать дополнительные элементы — катушки индуктивности, конденсаторы или отрезки кабеля с определенными параметрами.

Ниже описывается упрощенный метод расчета антенны «Ground plane» с горизонтальным противовесом и согласующим отрезком кабеля. Антенны, построенные по этому расчету, хорошо работают на одном любительском диапазоне (например, 14 Мгц) и, вместе с тем, вполне удовлетворительно излучают и на двух соседних диапазонах (21 и 7 Мгц).

Расчет будем приводить на числовом примере для диапазона 14 Мгц. Соединение штыря с питающим его кабелем и согласующим отрезком кабеля и обозначения их размеров показаны на рис. 1.

GP
Рис. 1.

Для расчета необходимо знать диаметр металлических трубок или провода, из которых будут выполнены штырь антенны и лучи противовеса. Допустим, что мы собираемся применить для изготовления антенны трубки с внешним диаметром 30 мм, а противовес будем делать из провода диаметром 2 мм. Определяем коэффициент M, характеризующий отношение длины удаленного от земли полуволнового диполя к диаметру антенны. Применяем формулу:

GP

Здесь: f - средняя частота диапазона,
D - диаметр трубок.

GP

По коэффициенту М определяем, пользуясь графиком (рис. 2), сопротивление излучения четвертьволновой антенны Rизд (для резонансной частоты): Rизл=30,8 ом.

GP
Рис. 2.

Теперь следует вычислить истинное сопротивление излучения Rv укороченной антенны, которую мы будем строить; оно из-за влияния земли и противовеса отличается от Rизл и равно:

GP

Здесъ Z — волновое сопротивление коаксиального кабеля, из которого выполнен фидер. В нашем примере возьмем его равным 75 ом. Тогда:

GP

Для вычисления длины вертикального штыря L нужно по графику рис. 3 определить еще два вспомогательных коэффициента: Кс характеризующий изменение сопротивления антенны при изменении ее длины, и Кз, учитывающий влияние противовеса и земной поверхности. Получаем: Кс= 535, Кз=0,97.

GP
Рис. 3.

График для определения коэффициента К может быть использован лишь при изменении длины антенны не более чем на 10%. Если антенна длиннее резонансной, то ее полное сопротивление носит индуктивный характер, если короче — емкостный.

Длина штыря (в мм) определяется по формуле:

GP

У нас:

GP

Для определения длины лучей противовеса Lпр, выполненных из провода диаметром 2 мм, вычисляем М: М=150000/ 14.2 2=5280 и по графику рис. 3 находим Ку=0,978. Тогда

GP

Укороченная антенна имеет, кроме активного, также реактивное сопротивление емкостного характера. Для его компенсации параллельно антенне присоединен закороченный на конце отрезок кабеля; длина его выбирается такой, чтобы его реактивное сопротивление имело индуктивный характер необходимой величины. Определяем это индуктивное сопротивление:

GP

Пользуясь логарифмической линейкой или таблицей тангенсов, находим угол а, тангенс которого численно равен отношению полученного значения Хс к волновому сопротивлению Zc кабеля, из которого будет выполнен согласующий отрезок. При Zc=75 ом:

GP

Длина закороченного отрезка равна:

GP

В этой формуле в — коэффициент, характеризующий скорость распространения энергии по кабелю. Для распространенных кабелей со сплошным заполнением (РК-1, РК-3) в=0,67.

Следовательно,

GP

Описанный выше расчет учитывает, что лучи противовеса расположены горизонтально; однако и при наклонном их расположении (под углом 30—40° к земле) рассогласование бывает незначительным.

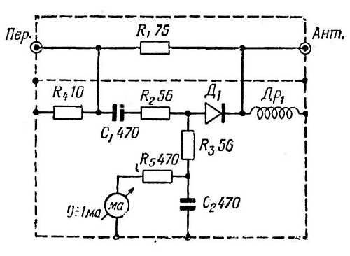
Коэффициент стоячей волны (ксв) в фидере можно измерить, собрав несложный указатель ксв мостового типа, схема которого показана па рис. 4. Здесь сопротивления R1, R2, R3 и сопротивление излучения антенны образуют мост. В одну из его диагоналей подается энергия высокой частоты от передатчика (разъем Пер). Во второй диагонали включен диод Д1 типа Д2Е.

GP
Рис. 4.

Сопротивление R1 служит для уменьшения выходного сопротивления источника энергии (передатчика). Дроссель (Др1) замыкает цепь постоянной слагающей' выпрямленного тока; он необходим в том случае, если цепь антенны не имеет гальванической проводимости.

При балансе моста стрелка прибора не отклоняется. Рассогласование антенны и кабеля вызывает появление стоячих волн, что отмечается отклонением стрелки. Порядок измерения ксв следующий:

1. Настраивают передатчик с антенной при полной излучаемой мощности.

2. Уменьшают мощность до нуля, запирая, например, одну из ламп предварительных каскадов отрицательным смещением, и отсоединяют антенну.

3. Соединяют отрезком кабеля вход передатчика и разъем Пер. на указателе ксв.

4. Постепенно, очень плавно, чтобы не сжечь сопротивление увеличивают мощность энергии, подаваемой в указатель ксв, до тех пор, пока стрелка прибора не отклонится до конца шкалы.

5. Для проверки баланса моста временно присоединяют к разъему Ант. сопротивление 75 ом; стрелка миллиамперметра должна при этом стать на нуль.

6. Включив к разъему Ант. коаксиальный кабель, питающий антенну, отмечают по шкале ток и определяют ксв по кривой, изображенной на рис. 5.

GP
Рис. 5.

Если фидер антенны не вносит существенных потерь, например он выполнен из кабеля РК-1 или РК-3 и имеет длину не более 15—20 м, то ксв 2 и даже 2.5 вполне допустим. Общие потери (сумма потерь в фидере и потерь за счет рассогласования) в этом случае не превысят 0,5 дб. Такое уменьшение мощности на приемной станции на слух отме-- чено не будет. Заметное падение громкости приема (на 1 — 2 балла) может наблюдаться лишь при ксв порядка 5—8.

В том случае, если построенная антенна обладает чрезмерным ксв или ее размеры выбраны большими или меньшими, чем следует, необходимо, пользуясь указателем ксв, настроить антенну опытным путем. Антенна большей, чем нужно, длины может быть электрически укорочена конденсатором, включенным последовательно с вертикальной частью (рис. 6, а). Слишком короткую антенну можно электрически удлинить, добавив к ней индуктивность (рис. 6, б). В этом случае настройку антенны ведут попеременно, подбирая положение обоих щипков на катушке. Здесь часть катушки между щипками 1 и 2 используется для удлинения вертикальной части антенны, а нижняя часть (2-3) заменяет согласующий закороченный отрезок кабеля (рис. 1).

GP
Рис. 6.

В заключение отметим, что на антенне описанного типа накапливаются заряды статического электричества, особенно при близкой грозе. Поэтому рекомендуется применять антенны с закороченными отрезками кабеля (рис. 1) или шунтирующей кабель индуктивностью (рис. 6, б) и надежно заземлять оболочку кабеля.

Рaдио № 10, 1962


[ На главную ] [ Антенны ]